

第1页 / 共40页

第2页 / 共40页

第3页 / 共40页

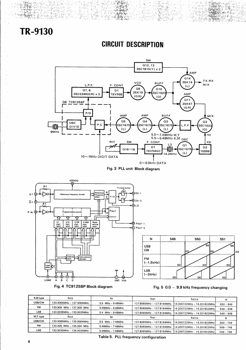
第4页 / 共40页

第5页 / 共40页

第6页 / 共40页

第7页 / 共40页

第8页 / 共40页

第9页 / 共40页

第10页 / 共40页
试读已结束,还剩30页,您可下载完整版后进行离线阅读
THE END
KENWOODSERVICE MANUALTR-91302m ALL MODE TRANSCEIVER4.300.0ANMauritron Technical Services8 Cherry Tree RoadChinnorOxfordshireOX94QYUnited KingdomCONTENTSCIRCUIT DESCRIPTION......2RX Unit(X55-1320-00,11).21PARTS LIST.…CAR Unit(X50-1870-11,5161).22PACKING..14Control Unit (X53-1210-11,62)...............22DISASSEMBLY...............15ADJUSTMENTS…24PC BOARD VIEWSLEVEL DIAGRAM…3Switch Unit (X41-1400-11).18BLOCK DIAGRAM...32Final Unit (X45-1240-11).......,18SCHEMATIC DIAGRAM.…33Drive Unit(X47-1090-11,61.…19REFERENCE DATA..........35PLLUnit(X50-1860-00…20SPECIFICATIONS.…BACK COVER
请登录后查看评论内容