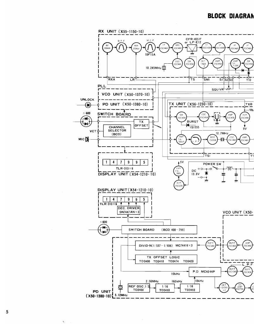
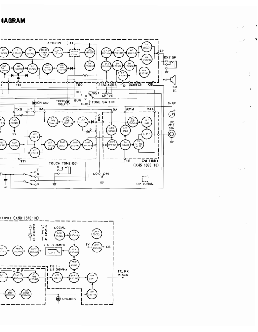
tr7400a_维修手册电器原理图找手册网30天前发布关注私信6.35MB46页045tr7400a_维修手册电器原理图此内容为付费资源,请付费后查看¥19¥21黄金会员免费钻石会员免费登录购买付费资源 第1页 / 共46页 第2页 / 共46页 第3页 / 共46页 第4页 / 共46页 第5页 / 共46页 第6页 / 共46页 第7页 / 共46页 第8页 / 共46页 第9页 / 共46页 第10页 / 共46页 试读已结束,还剩36页,您可下载完整版后进行离线阅读 THE END建武 文本预览 KENWOODSERVICE MANUALTR-7400A2 m FM TRAN5 CEIVER MH2●4●上-7400A2m FM TRANSCEIVER 查看更多 收起部分 喜欢就支持一下吧收藏
请登录后查看评论内容