tr751ae_维修手册电器原理图找手册网30天前发布关注私信32.33MB83页020tr751ae_维修手册电器原理图此内容为付费资源,请付费后查看¥19¥21黄金会员免费钻石会员免费登录购买付费资源 第1页 / 共83页 第2页 / 共83页 第3页 / 共83页 第4页 / 共83页 第5页 / 共83页 第6页 / 共83页 第7页 / 共83页 第8页 / 共83页 第9页 / 共83页 第10页 / 共83页 试读已结束,还剩73页,您可下载完整版后进行离线阅读 THE END建武 文本预览 144MHz ALL MODE TRANSCEIVERTR-751A/EKENWOODTRIO-KENWOOD CORPORATIONSERVICE MANUALC1986-5 PRINTED IN JAPANB51-2084-00(0)15019850 查看更多 收起部分 喜欢就支持一下吧收藏
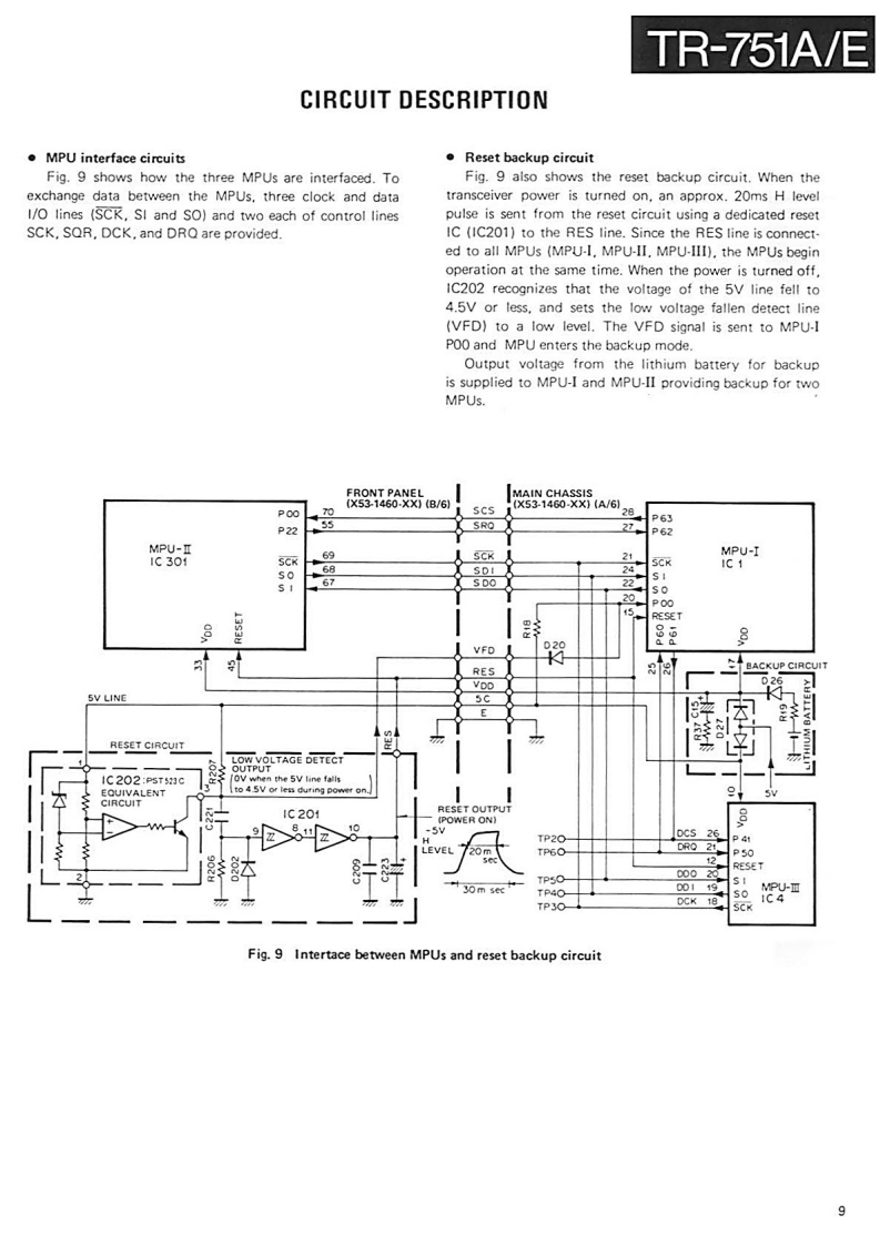
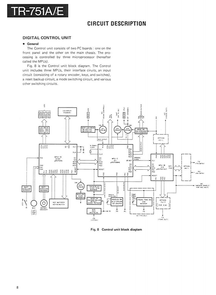
请登录后查看评论内容