

第1页 / 共150页

第2页 / 共150页

第3页 / 共150页

第4页 / 共150页

第5页 / 共150页

第6页 / 共150页

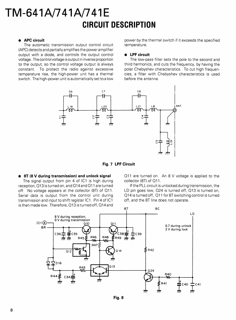
第7页 / 共150页

第8页 / 共150页

第9页 / 共150页

第10页 / 共150页
试读已结束,还剩140页,您可下载完整版后进行离线阅读
THE END
144/220 MHz,144/430 MHz FM MULTI BANDERKENWOODTM-641ABRYan Fields wacrTM-741A/EERaM®3RYan Fielo5.ntSERVICE MANUAL1991-9 PRINTED IN JAPANB51-8139-00(A)1599MICROPHONE(T91-)KENWOODFM MULT电ANCER TM-B4IAKNOB (VFO)-PANEL ASSY(K27-3078-04)器(A62-JKNOB (MR)K27-3079-04)1295界6970224980KNOB(MHz}S9ug四99装ul(K27-3080-04]KNOB (POWER)(K27-3108041KNOB-(K29-3156-04)KNOB (RELEASE)(K27-3092-04)DRESSING PLATEKNOB (SQL)KNOB (VOL)B03-0562-04)(K294576-04)K29-4575-040KNOB (CALL)KNOB (SHIFT)KNOB(REV)KNOBILOW)AK27-3110-04K27-3118-04K27-3114-04K27-3116-04KNOB (F)KNOB (TONE)KNOB (DTSS)KNOB (MUTE)K27-3111-04K27-3113-04K27-3115-04K27-3117-04Refer to parts list on page 62Photo is TM-641ACONTENTSOVER VIEW…2144MTX-RX UNIT (X57-3580-12).143CIRCUIT DESCRIPTION3220MTX-RX UNIT (X57-3810-10).147DESCRIPTION OF COMPONENTS41430/440M TX-RX UNIT (X57-359X-XX)151SEMICONDUCTOR DATA581200MTX-RX UNIT (X57-3600-11)...155PARTS LIST ........61BLOCK DIAGRAM..............159EXPLODED VIEW.105LEVELDIAGRAM................167PACKING…110DTU-2 (DTMF UNIT).171ADJUSTMENT ..113TSU-7(CTCSS UNIT)......173PC BOARD VIEWS SCHEMATIC DIAGRAMMC-45(MULTI FUNCTION MICROPHONE).....175CONTROL UNIT (X53-331X-XX)16MC-45DM (MULTI FUNCTION MICROPHONEDISPLAY UNIT (X54-312X-XX)128WITH AUTOPATCH).....176SCHEMATIC DIAGRAM.............................129PK-4K/L (PANEL SEPARATE KIT K:4M,L:7M).17728M TX-RX UNIT (X57-3790-01)..............133UT-28S/50S/1200 SPECIFICATION...............17850MTX-RX UNIT(X57-3800-01).......139SPECIFICATION.........................B.ACK COVER
请登录后查看评论内容