

第1页 / 共67页

第2页 / 共67页

第3页 / 共67页

第4页 / 共67页

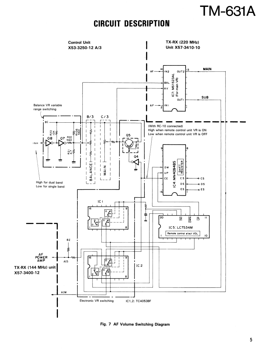
第5页 / 共67页

第6页 / 共67页

第7页 / 共67页

第8页 / 共67页

第9页 / 共67页

第10页 / 共67页
试读已结束,还剩57页,您可下载完整版后进行离线阅读
THE END
144/220MHz FM DUAL BANDERTM-631AKENWOODBRyan Fields WqcRSERVICE MANUALBRYan@Bryan Fells.netC1989-8 PRINTED IN JAPANB51-8016-00(T633KnobMicrophoneK29-3111-04)×3(T91-0380-25Panel ass'yA20-7014-021Knob (SQ](K29-3116-041Knob(AF月Metallic cabinet (Top)K29-3115-041 Panel{A01-1048-02)(A20-7021-021FM CUALKnob (MAIN)K29-3060-041469702298Knob (SCAN,MUTE)K29-3112-041×5Knob (Up/Down)K29-3114-04)×2Knob (F)Knob (Sub-Encoder)Knob (DUAL](K29-3143-04K29-3145-04K29-311304}×3Knob (Button)(K27-3026-041×2Knob [Low)Knob (Button)K29-3144-04)K27.3028-04)Metallic cabinet (Bottom)A01-1076-02CONTENTSCIRCUIT DESCRIPTION........3C0 NTROL UNIT(X53-3250-12)..61DESCRIPTION OF ELEMENTS.................17144 MHz TX-RX UNIT(X57-3400-12)..63PARTS LIST...............25220 MHz TX-RX UNIT(X57-3410-10)65EXPLODED VIEW.46FINAL UNIT (220 MHz)(X45-3350-10)...................67PACKING..48F1 NAL UNIT(144MHz)(X45-3350-10)68ADJUSTMENT.49SCHEMATIC DIAGRAM....................69TERMINAL FUNCTIONS..................56LEVEL DIAGRAM..3PC BOARD VIEW/SCHEMATIC DIAGRAMBLOCK DIAGRAM.........75144 MHz PLL UNIT(X58-3670-10)....59TSU-6 (CTCSS UNIT)........76220 MHz PLL UNIT(X58-3690-10)..60SPECIFICATIONS..............Back cover
请登录后查看评论内容