

第1页 / 共75页

第2页 / 共75页

第3页 / 共75页

第4页 / 共75页

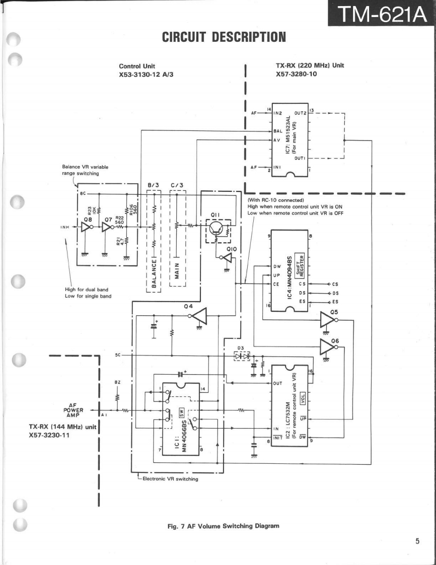
第5页 / 共75页

第6页 / 共75页

第7页 / 共75页

第8页 / 共75页

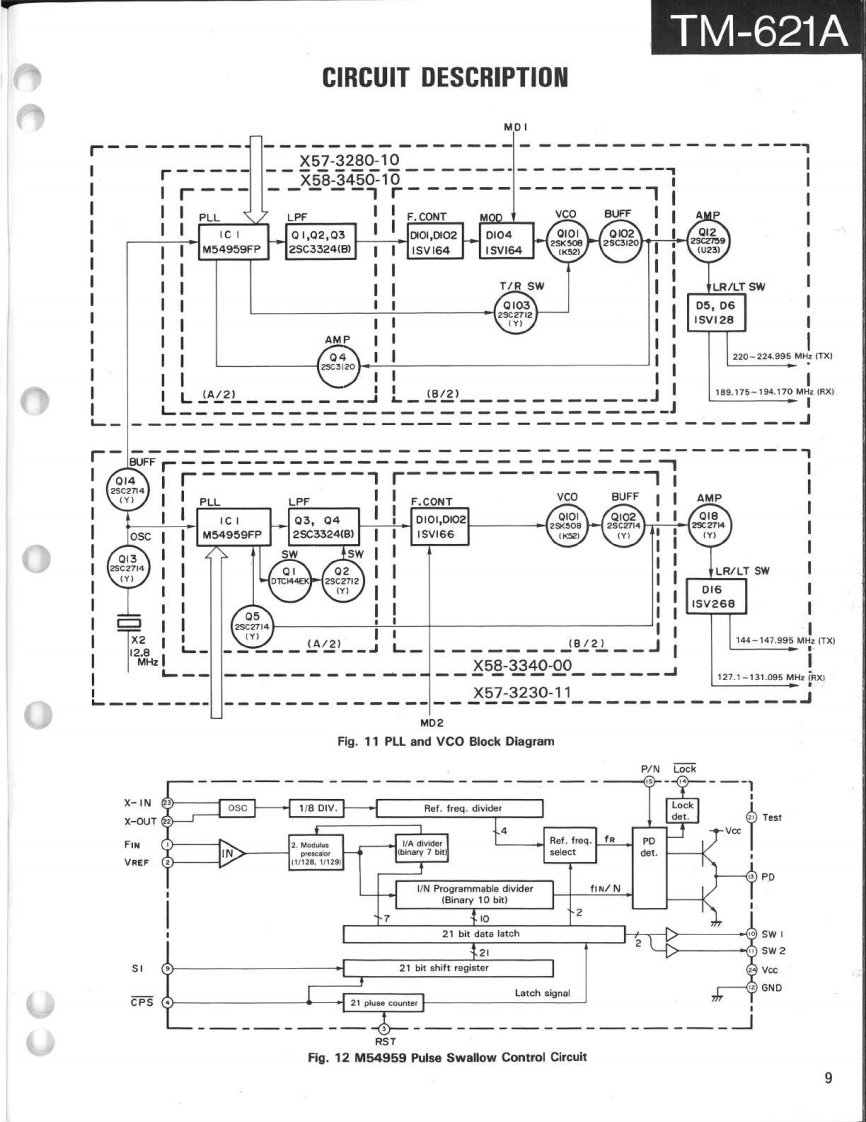
第9页 / 共75页

第10页 / 共75页
试读已结束,还剩65页,您可下载完整版后进行离线阅读
THE END
144/220MHz FM DUAL BANDERTM-621AKENWOODR L ELECT$17.00SERVICE MANUALC1988-5 PRINTED IN JAPANB51-3555-00T966Knob (Main)Knob (F)Metallic cabinet (Top)Knob (SQL)K29-3060-04)(K29-3143-04A01-1047-021K29-3116-04)Panel ass'yKnob (AF)(A20-2670-021(K29-3115-04Knob (CALLVFO,MR/M)KnobKnob (DUAL)PanelMicrophone(K29-3111-04(K29-3112-04)×5(K29-3113-04)×3(A20-2648-03)(T91-0359-15x3KENWOODM-B21A224980146S70Knob (Sub-Encoder)Knob (BALANCE,SUB SQL)Metallic cabinet [Bottom)(K29-3145-04K27-3026-04)×2(A01-1048-02Knob (Up/Down)Knob (LOCK]Knob (LOW)K29-3114-04)×2(K27-3028-041(K29-3144-041*Refer to parts list on page 26.CONTENTSCIRCUIT DESCRIPTION.…2C0NTR0 L UNIT(X53-3130-12)..61DESCRIPTION OF ELEMENTS.7144 MHz TX-RX UNIT(X57-3230-11)..63PARTS LIST.....................26220 MHz TX-RX UNIT(X57-3280-10)..65EXPLODED VIEW.….46FINAL UNIT(220MHz)(X45-3300-101.67FINAL UNIT (144 MHz)(X45-3300-10)................68ADJUSTMENT...49SCHEMATIC DIAGRAM..69TERMINAL FUNCTIONS..........56LEVEL DIAGRAM.........3PC BOARD VIEW/SCHEMATIC DIAGRAMBLOCK DIAGRAM....5144 MHz VC0UNT(X58-3340-11).59TSU-6 (CTCSS UNIT).......76220 MHz VC0UNIT(X58-3450-10).60SPECIFICATIONS............................Back cover
请登录后查看评论内容