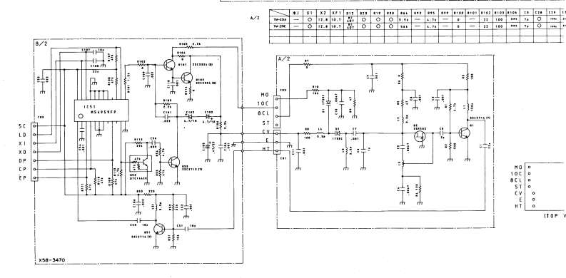
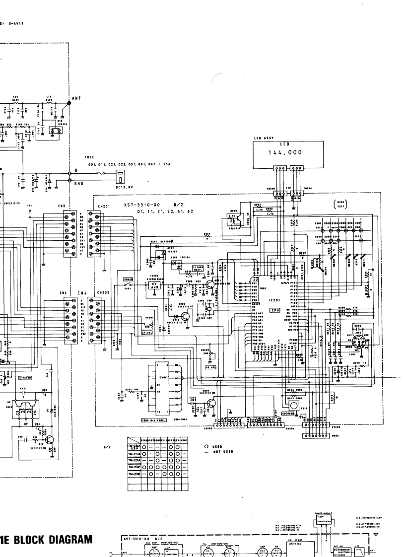
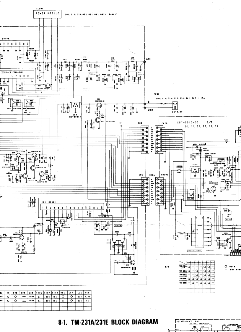
TM-231电器原理图找手册网30天前发布关注私信0.25MB4页034TM-231电器原理图此内容为付费资源,请付费后查看¥19¥21黄金会员免费钻石会员免费登录购买付费资源 第1页 / 共4页 第2页 / 共4页 第3页 / 共4页 第4页 / 共4页 已完成全部阅读,共4页 THE END建武 文本预览 IC DIAGRAMX57-3310-00A/201,11,21,22,61,62IC8 KEBOSDRIVEm元」!APCX59-3130-000075上思济E1t90P(1241SPAF PA8EX.SP:.5hXF 10122R1R10A/2TM-231410.700J.91007TM-23010.7564.71007:A72】t815t3324国 查看更多 收起部分 喜欢就支持一下吧收藏
请登录后查看评论内容