

第1页 / 共109页

第2页 / 共109页

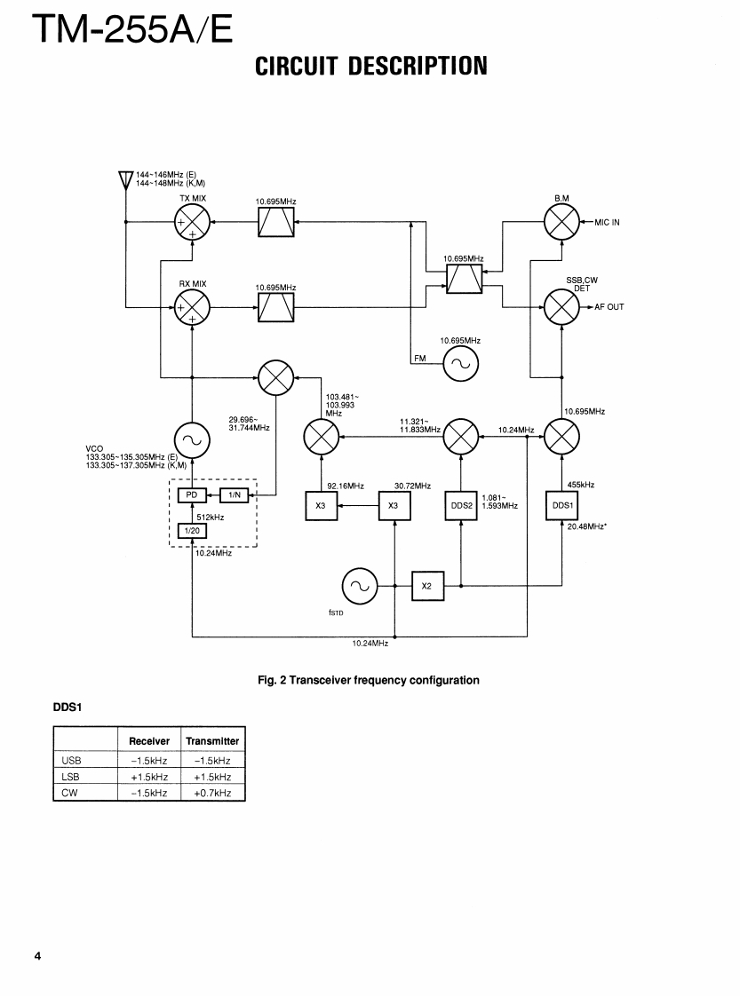
第3页 / 共109页

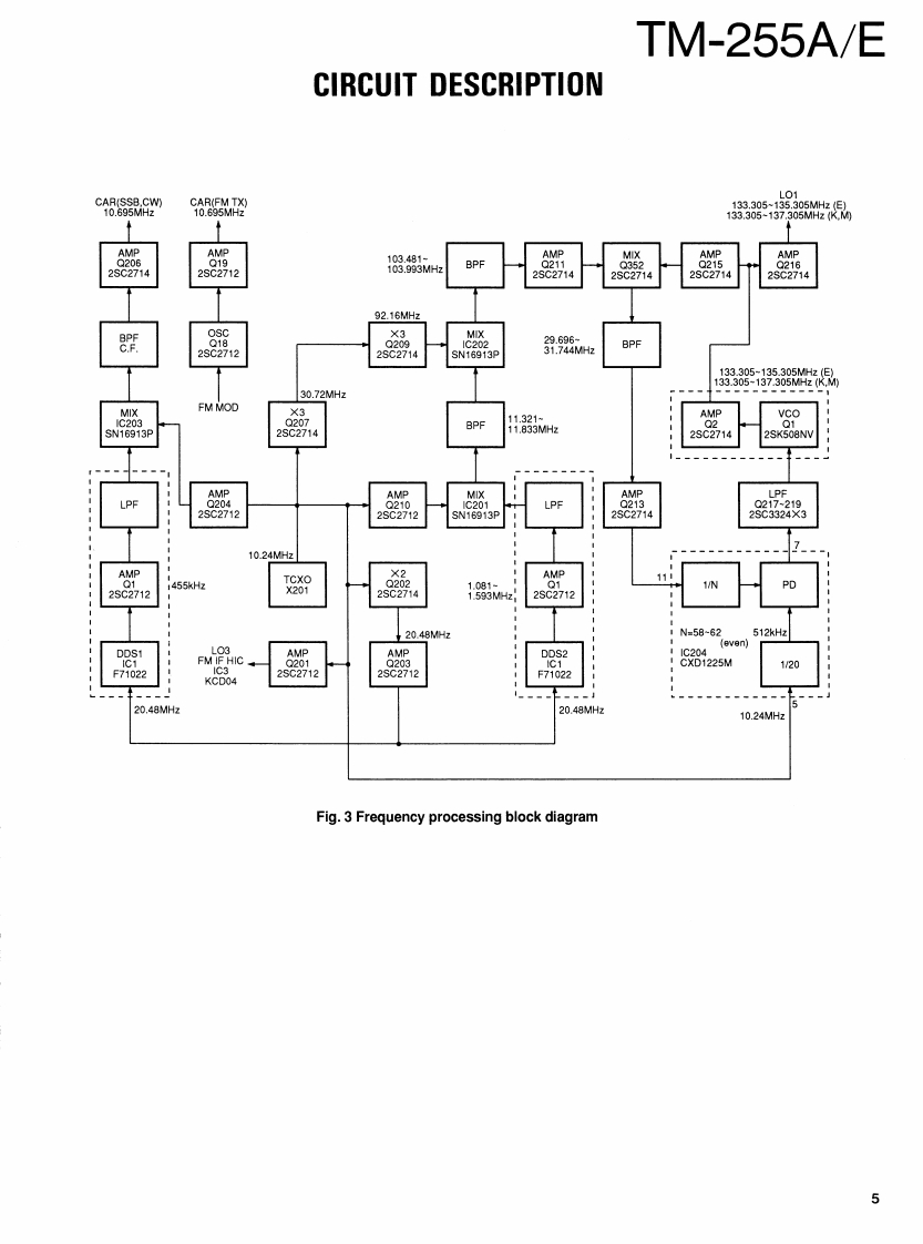
第4页 / 共109页

第5页 / 共109页

第6页 / 共109页

第7页 / 共109页

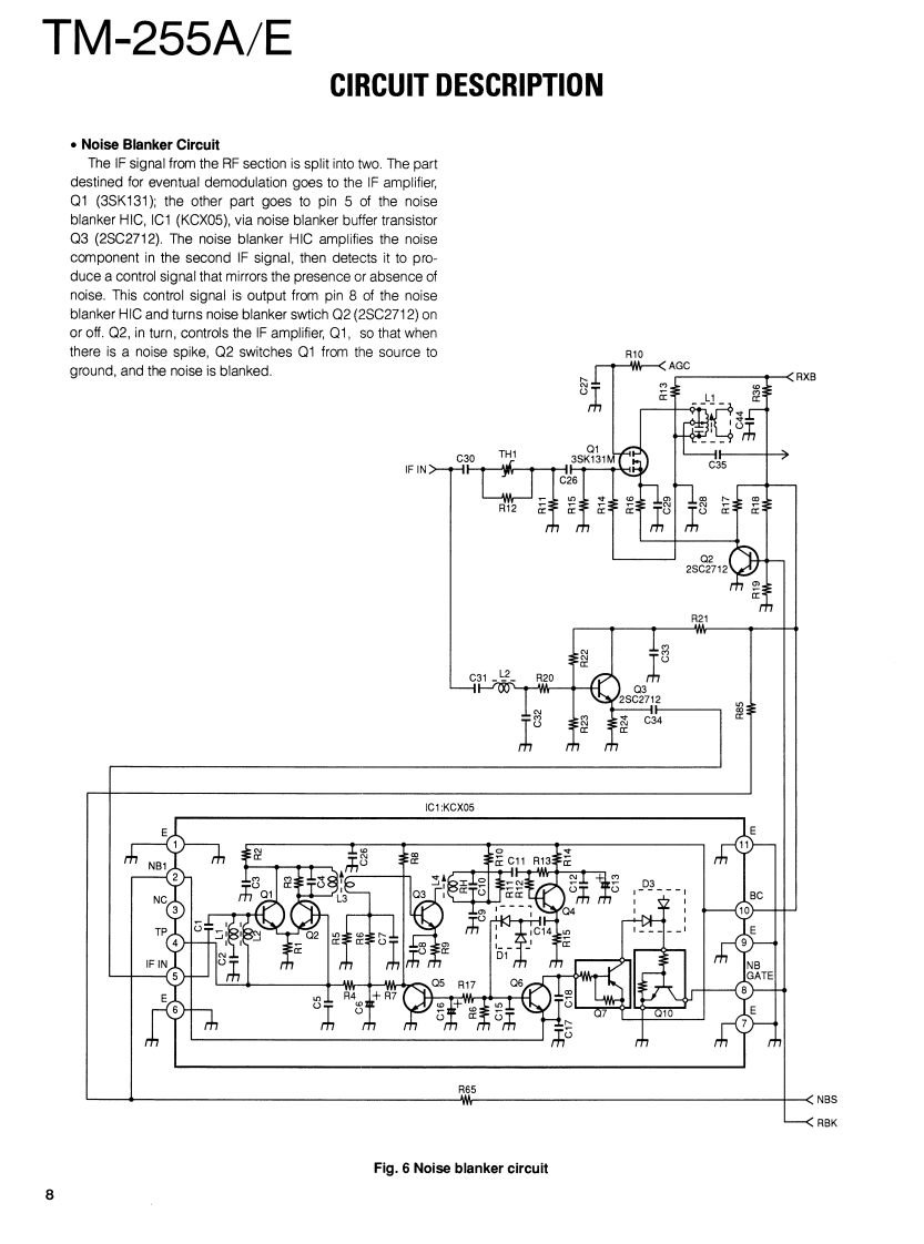
第8页 / 共109页

第9页 / 共109页

第10页 / 共109页
试读已结束,还剩99页,您可下载完整版后进行离线阅读
THE END
144MHz ALL MODE TRANSCEIVERKENWOODTM-255A/EBRXAN FieldSWACRSERVICE MANUALBRyANO BRYAN Fields.NetO 1994-2 PRINTED IN JAPANB51-8266-00(B)1095PanelKnobKnobMetallic cabinet (UPPER)(A62-0339-03):255A(K29-4870-04)(K29-4870-04)(A01-2077-02)(A62-0340-03):255EKnob(K29-4871-04)KENWOODKnob (M.CH)(K29-3156-04)469700uE79吗VOL -9-SOLKnob(MAIN)(K21-0793-04)Panel (BASE)Knob(POWER)(A62-0265-03(K27-3091-04)Foot Insulation(J02-0441-05)Knob (MR)Knob (A/B)Knob (MHz)(K29-4858-14)(K29-4859-14)(K29-4860-14)Knob(AF·VOL.RITKnob (F)Knob(SHIFTK29-4809-04)(K29-4862-04(K29-4916-04)Knob(RITKnob (M.IN)Knob (M>V)K29-4861-14)(K29-4864-14)(K29-4865-14)Knob (TONE)Knob(REV)K29-486804)(K29-4869-04)Knob(SCAN)Knob (CLR)Knob(SQL,SHIFT)(K29-4866-14)K29-4867-14)(K29-4810-04)PHOTO is TM-255ECONTENTSCIRCUIT DESCRIPTION.2SUB UNIT (DDS)(X58-4020-0X)..................94SEMICONDUCTOR DATA.....................................27TX-RX UNIT(X57-4530-XX)(A/5).95DESCRIPTION OF COMPONENTS.............34CONTROL UNIT (X53-351X-XX)(A/2)...............99PARTS LIST…40SUB UNIT(NCO)(X58-4110-00)…101EXPLODED VIEW….64MODULE UNIT(FAN)(X59-4020-00).............102EXPLODED VIEW (CONTROL)...............65LCD ASSY(B38-0701-25)…103PACKING66SCHEMATIC DIAGRAM..............105ADJUSTMENT.................67TERMINAL FUNCTION.......…117PC BOARD VIEWSBLOCK DIAGRAM…123CONTROL UNIT (X53-351X-XX)(B/2)...............88WIRING DIAGRAM.....125TX-RX UNIT(X57-4530-XX)(D/5).88LEVEL DIAGRAM......127TX-RX UNIT (X57-4530-XX)(E/5)...............9DFK-7A(PANEL SEPARATE KIT)129TX-RX UNIT(X57-4530-XX(B/5).90PG-5A (DATA CABLE)......129TX-RX UNIT (X57-4530-XX)(C/5)..92SPECIFICATIONS...................BACK COVERDESTINATION LISTTypeUnitDestinationFreq.rangeTransmit(Guaranteed speclfication)powerTM-255A个Y52.3190-11North America144.01o147.999995MHz40wTM-255AY52-3190-21General Market144.0to147.999995MHz40WTM-255EEY52.3192-71Europe144.01o145.999995MHz40WTM-255EE9Y52.3192.72France144.010145.999995MHz40W
请登录后查看评论内容