

第1页 / 共48页

第2页 / 共48页

第3页 / 共48页

第4页 / 共48页

第5页 / 共48页

第6页 / 共48页

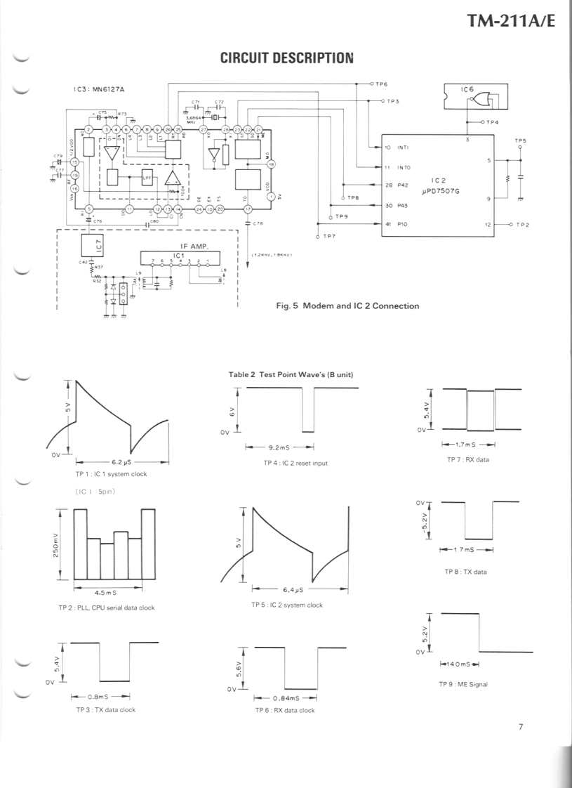
第7页 / 共48页

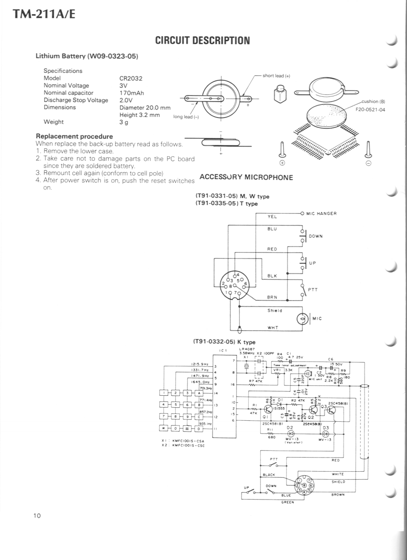
第8页 / 共48页

第9页 / 共48页

第10页 / 共48页
试读已结束,还剩38页,您可下载完整版后进行离线阅读
THE END
KENWOODSERVICE MANUALTM-211A/EOPTIONTU-3AVHF FM TRANSCEIVER6.9708CONTENTSCIRCUIT DESCRIPTION..2DIMENSIONS26PARTS LIST11PACKING.2PC BOARD VIEWADJUSTMENT…28AUN1T(X44-1590-11,51).22LEVEL DIAGRAM...........................3FINAL UNIT(X45-1360-01)...23BLOCK DIAGRAM......35D1 SPLAY UNIT(X54-1810-11,51,61).3SCHEMATIC DIAGRAM (K.M)............................37BUN1T(X53-1380-11,51,61)23OPTION(TU-3A).39DISASSEMBLY..24SPECIFICATIONSBACK COVER
请登录后查看评论内容