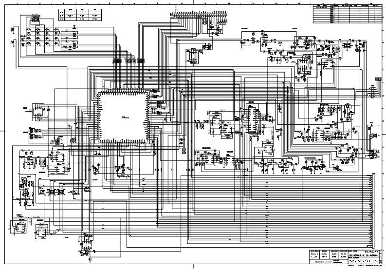
TH-F6_F7_Schematic维修手册找手册网31天前发布关注私信2.17MB2页038TH-F6_F7_Schematic维修手册此内容为付费资源,请付费后查看¥19¥21黄金会员免费钻石会员免费登录购买付费资源 第1页 / 共2页 第2页 / 共2页 已完成全部阅读,共2页 THE END建武 文本预览 用圉潮的0p柔平的钟。+时运:劳阅a日 查看更多 收起部分 喜欢就支持一下吧收藏
请登录后查看评论内容