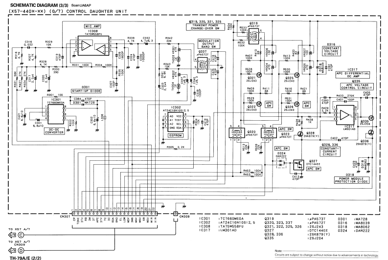
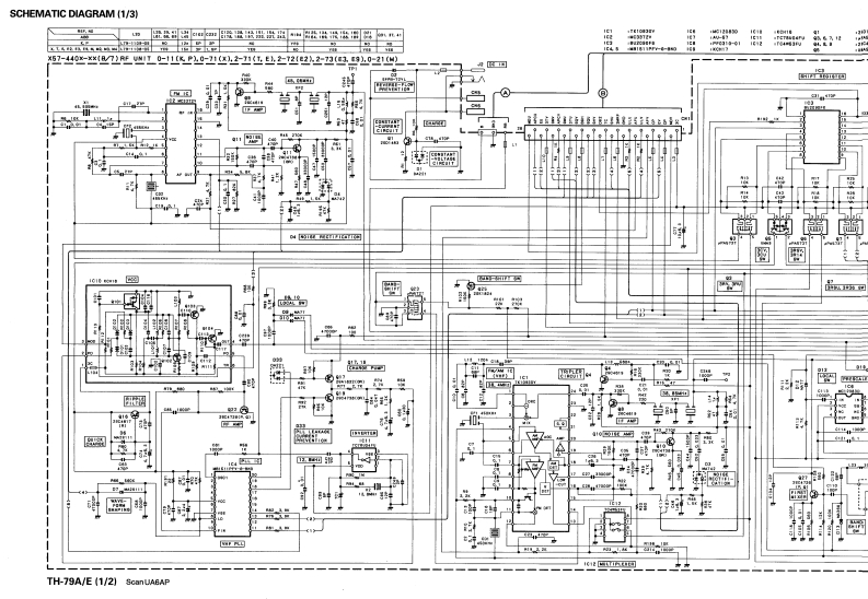
TH-79电器原理图s找手册网30天前发布关注私信0.52MB5页035TH-79电器原理图s此内容为付费资源,请付费后查看¥19¥21黄金会员免费钻石会员免费登录购买付费资源 第1页 / 共5页 第2页 / 共5页 第3页 / 共5页 第4页 / 共5页 第5页 / 共5页 已完成全部阅读,共5页 THE END建武 文本预览 SCHEMATIC DIAGRAM(1/3)出设☒▣图避进设出监盟壮供世#日韩品品品X57-440x-x×(R7》RFMT0-11[KP10-71(x1,2-11(1E1,2T24e22-71(3.9,0-21〔)是区国serr包间7s7+72TgTsT-T++7h4图【区品司可槛”国1出周+,图凰四612h▣TH-79A/E (1/2]ScanUABAP 查看更多 收起部分 喜欢就支持一下吧收藏
请登录后查看评论内容