TH-42电器原理图

TH-42电器原理图-找手册网
TH-42电器原理图
此内容为付费资源,请付费后查看
1921
付费资源

第1页 / 共4页

第2页 / 共4页

第3页 / 共4页

第4页 / 共4页
已完成全部阅读,共4
THE END
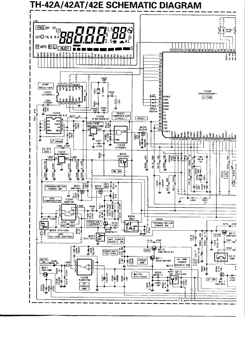
TH-42A/42AT/42E SCHEMATIC DIAGRAMPAG]DT CT.57TX.$日AP0目回US7■人器eeaebd器RECEIVER虽¥台指交品9ue3L1C206H0404629A9gTI时自90隔291COMI-cG网白网T9M中号、921G202AT24C04W10612.5s938-oCIRCUITREGET00TEBTA2CK義883800100WT用EP星a通由量:Y里号贴百8上店9E2限0u470L203.26203M gW錮POWER SW图1C204程204700205C212207220型c254082030TA114E9206K8T(YVOL TAOE CONTROLSoUncE2164705AVRR252L208◆8212 SDURCE 8w3T SW821726K1824
喜欢就支持一下吧
评论 抢沙发

请登录后发表评论

    请登录后查看评论内容