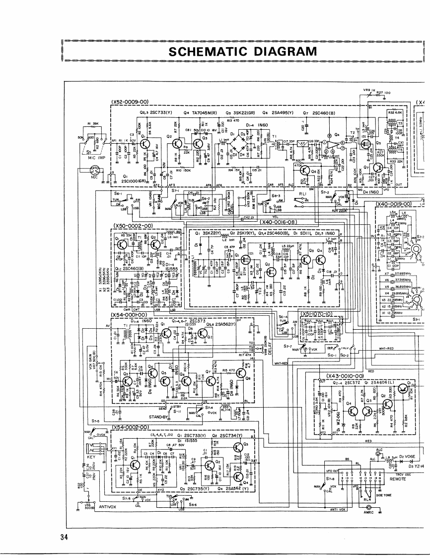
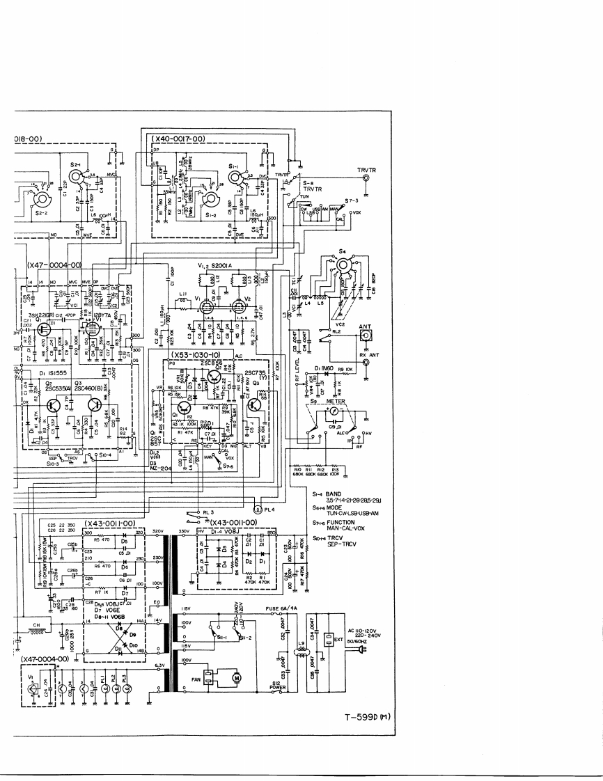
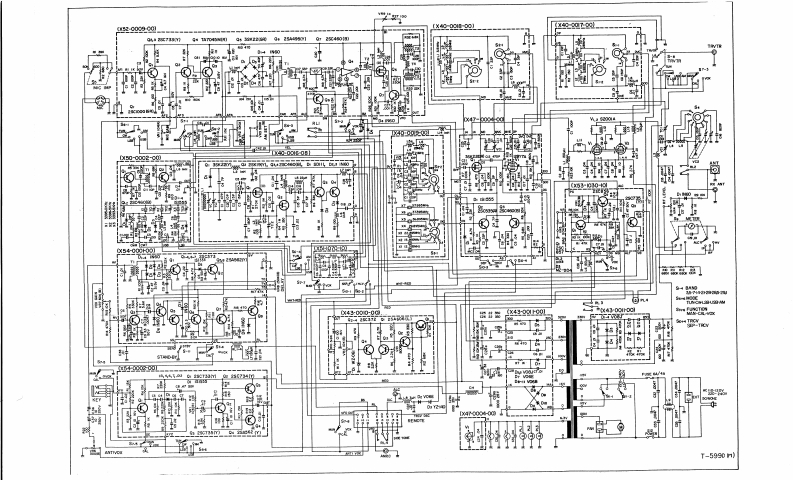
T-599D_参考电器原理图找手册网30天前发布关注私信0.51MB3页022T-599D_参考电器原理图此内容为付费资源,请付费后查看¥19¥21黄金会员免费钻石会员免费登录购买付费资源 第1页 / 共3页 第2页 / 共3页 第3页 / 共3页 已完成全部阅读,共3页 THE END建武 文本预览 毕C0920002买400卫9见X54)品门间n400脚4aT-5990 n) 查看更多 收起部分 喜欢就支持一下吧收藏
请登录后查看评论内容