

第1页 / 共127页

第2页 / 共127页

第3页 / 共127页

第4页 / 共127页

第5页 / 共127页

第6页 / 共127页

第7页 / 共127页

第8页 / 共127页

第9页 / 共127页

第10页 / 共127页
试读已结束,还剩117页,您可下载完整版后进行离线阅读
THE END
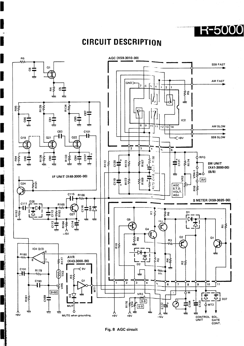
KENWOODR-5000SERVICE MANUALC1986-10/87-2 PRINTED IN JAPANB51-3073-00(Q)150CONTENTSCIRCUIT DESCRIPTIONMB-430(M0 BILE MOUNT)..,····88SEMICONDUCTOR DATA24SP-430 (SPEAKER)88DESCRIPTION OF COMPONENTS,..·..·..·.33VS-1 VOICE SYNTHESIZER)..·....···,,..88PARTS LIST,,,··41VC-20(VHF CONVERTER)DISASSEMBLY .........................64SPEC1 FICATIONS.····.89PACKING.,·68CIRCUIT DESCRIPTION89ADJUSTMENT,,,..·,·,,:····69BLOCK DIAGRAM..·.···,90LEVEL DIAGRAM.·,,,,······76TERMINAL FUNCTION,··....··,·····-91BLOCK DIAGRAM76PARTS LIST .................91PC BOARD VIEWS/CIRCUIT DIAGRAMSADJUSTMENT .............99RF UNIT(X44-3010-00)....···76PC BOARD VIEWS,,:······.100IFUN1T(X48-3000-00)78CIRCUIT DIAGRAM.101PLL UN1T(X50-3030-00)..···.80INSTALLATION OF OPTIONSC0NTR0 L UNIT(X53-3020-XX).··.····82CRYSTALFILTERS....................102SWITCH UNIT(X41-3000-00}........84VS1…….102AVR UNIT(X43-3000-001.....841C-10.103DISPLAY UNIT (X54-3010-00)84DCK-2……104SCHEMATIC DIAGRAM.....·.....·85VC-20.105TERMINAL FUNCTION..·:····86SPECIFICATIONS,,,.····BACK COVEROPT1 ON FILTER,····87CautionOptional accessory installation-The user should not attempt to install the optional accessory beyond that described in theoperating instructions.All installations should be referred to qualified service personnel.
请登录后查看评论内容