

第1页 / 共43页

第2页 / 共43页

第3页 / 共43页

第4页 / 共43页

第5页 / 共43页

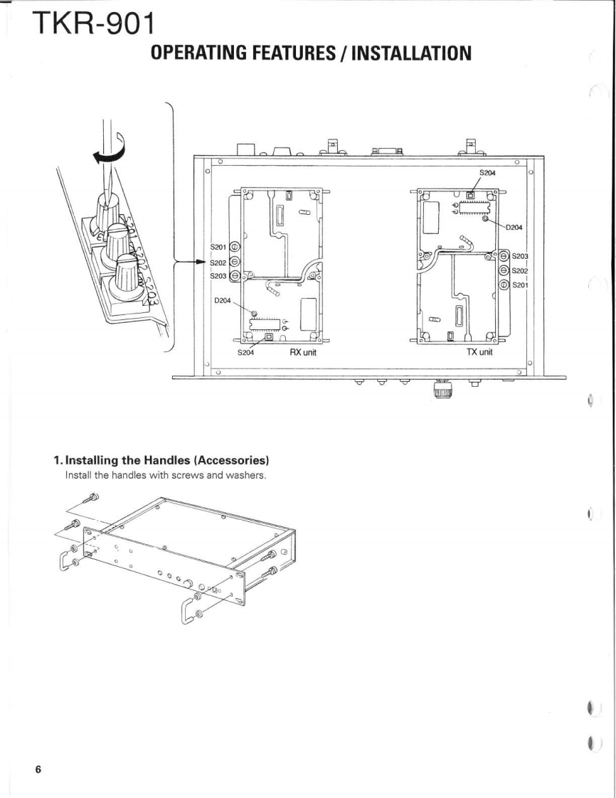
第6页 / 共43页

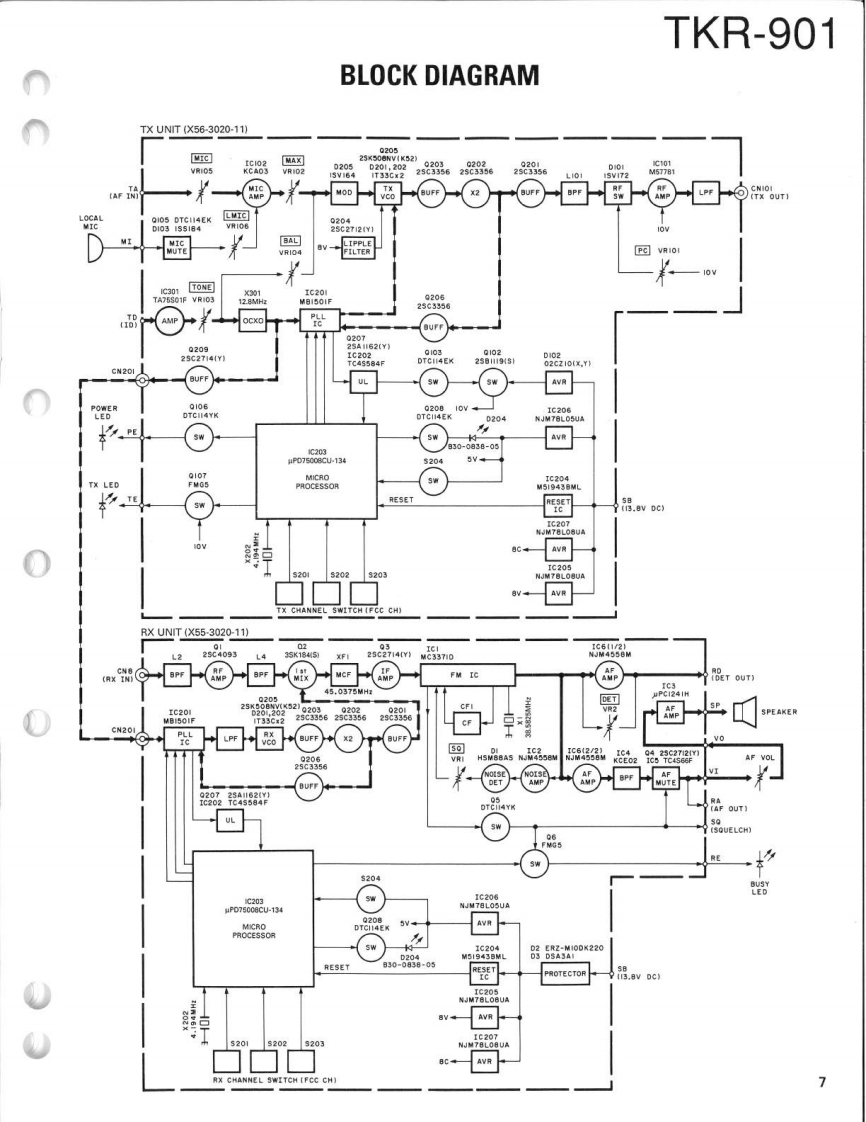
第7页 / 共43页

第8页 / 共43页

第9页 / 共43页

第10页 / 共43页
试读已结束,还剩33页,您可下载完整版后进行离线阅读
THE END
900MHz TRUNKED REPEATER UNITKENWOODTKR-901SERVICE MANUAL1993-7 PRINTED IN JAPANB51-8231-00(0)443Side platePanel (Front)Metallic cabinet (Upper)Panel (Rear)Side plate(A50-0411-13)(A62-0248-05](A01-2076-02)(A82-0014-05)(A50-0411-13)KENWOODKnob (VOL)Connecting wire(K29-4797-04)E37-0336-05)LEDLEDPush switch(B30-0855-05)(B30-0856-05】(S68-0408-05)CONTENTSGENERAL…PACKING…28OPERATING FEATURES...............................3ADJUSTMENT29INSTALLATION...6CHANNEL FREQUENCY CHART...33BLOCK DIAGRAM…7PC BOARD VIEWSCIRCUIT DESCRIPTION...................8RX UNIT(X55-3020-11).37SEMICONDUCTOR DATA......12TX UNIT(X56-3020-11).39DESCRIPTION OF COMPONENTS...................14SCHEMATIC DIAGRAM.......41PARTS LIST…16TERMINAL FUNCTION.......44EXPLODED VIEW.27SPECIFICATIONS..........BACK COVER
请登录后查看评论内容