

第1页 / 共15页

第2页 / 共15页

第3页 / 共15页

第4页 / 共15页

第5页 / 共15页

第6页 / 共15页

第7页 / 共15页

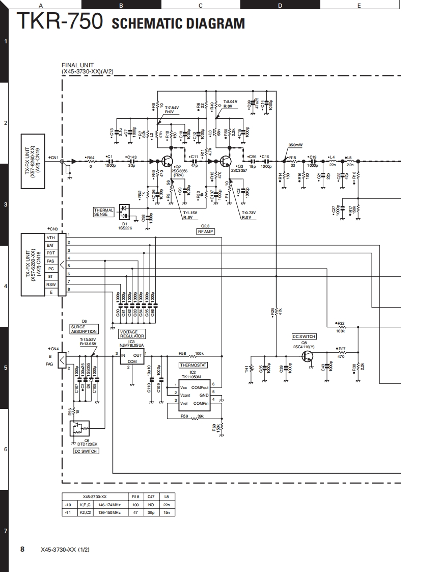
第8页 / 共15页

第9页 / 共15页

第10页 / 共15页
试读已结束,还剩5页,您可下载完整版后进行离线阅读
THE END
VHF FM REPEATERTKR-750KENWOODSERVICE MANUALSUPPLEMENT2003-7 PRINTED IN JAPANB51-8661-00(N)1927This supplement to the Service Manual is available for products with serial number 50500001 or later.This Service Manual contains a parts list,schematic diagrams and PC boards of a new final unit for the TKR-750.Since the adjustment procedure is the same as before,refer to the Service Manual (K,E:B51-8556-10,C:B51-8567-00)forthe TKR-750 for items not provided in this Service Manual.Knob(DC source)】(K29-9106-04)Panel (Outer)Knob (VOL)(A62-0840-03)(K29-5389-03)KENWOODPanel assyKey topModular jack(A62-0934-03)(K295460-02)(E08-0877-05)CONTENTSPARTS LIST…2PC BOARDFINAL UNIT (X45-3730-XX)4SCHEMATIC DIAGRAM...8EXPL0 DED VIEW…10SPECIFICATIONS.…11
请登录后查看评论内容