

第1页 / 共13页

第2页 / 共13页

第3页 / 共13页

第4页 / 共13页

第5页 / 共13页

第6页 / 共13页

第7页 / 共13页

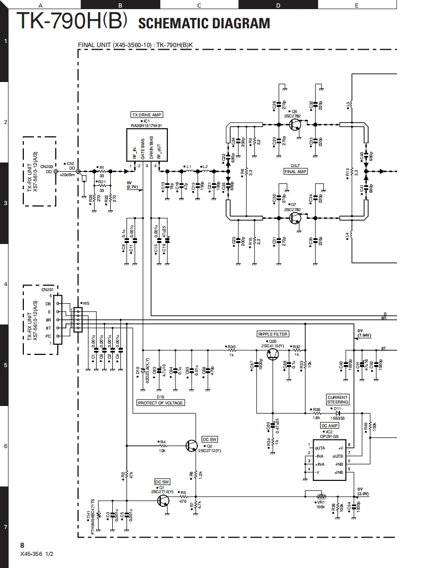
第8页 / 共13页

第9页 / 共13页

第10页 / 共13页
试读已结束,还剩3页,您可下载完整版后进行离线阅读
THE END
VHF FM TRANSCEIVERTK-790H(B)KENWOODKenwood CorporationSERVICE MANUALSUPPLEMENT2005-2 PRINTED IN JAPANB51-8718-00(N)PDFThis service manual applies to products with 60400001 orsubsequent serial numbers.Cabinet(Upper)(A01-2163.11)Cabinet (Lower)(A01-2164-11)CONTENTSPARTS LIST.........2PC BOARDFINAL UNIT (X45-3560-10)SCHEMATIC DIAGRAMFINAL UNIT(X45-3560-10).…8
请登录后查看评论内容