

第1页 / 共67页

第2页 / 共67页

第3页 / 共67页

第4页 / 共67页

第5页 / 共67页

第6页 / 共67页

第7页 / 共67页

第8页 / 共67页

第9页 / 共67页

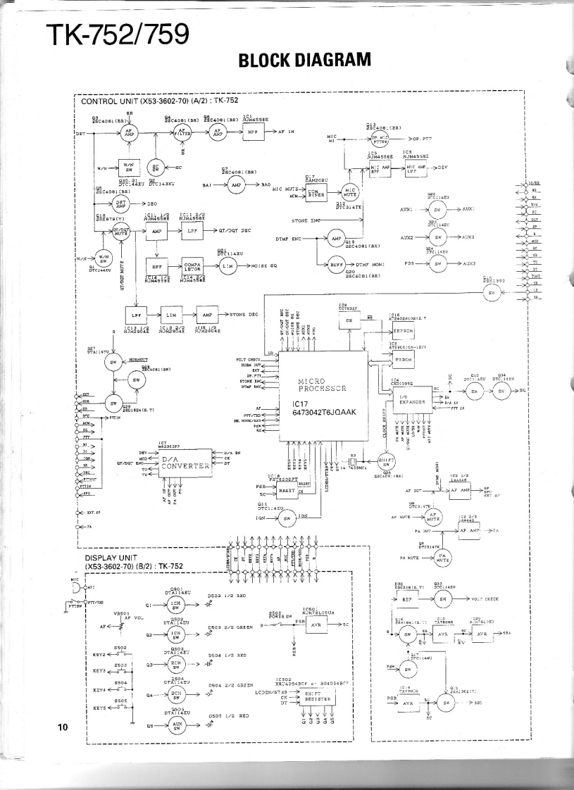
第10页 / 共67页
试读已结束,还剩57页,您可下载完整版后进行离线阅读
THE END
VHF FM TRANSCEIVERTK-7521759KENWOODSERVICE MANUAL1996-6 PRINTED IN KOREAB51-8324-00(N)757Knob (Power)MicrophoneMetallic cabinet (Upper)(K29-4993-04】(T91-0552-05):TK-752(A01-2101-03)KENWOODCRLL BRSE5KENWOODKnob (VOL)Knob (Function)Knob (CH)(K29-4994-04)(K29-4997-04)×5(K29-4996-04)Photo is TK-759.CONTENTSGENERAL..2PACKING.........41REALIGNMENT…4ADJUSTMENT.42INSTALLATION..TERMINAL FUNCTION50MODIFICATION....8PC BOARD VIEWS CIRCUIT DIAGRAMSDISASSEMBLY FOR REPAIR....................9.C0 NTROL UNIT(X53-3592-70)(A/2).51BLOCK DIAGRAM…10C0 NTROL UNIT(X53-3602-70)(A/2).51LEVEL DIAGRAM.13TX-RX UNIT (X57-4692-XX)...................53CIRCUIT DESCRIPTION.....14C0NTR0 L UNIT(X53-3592-70)(B/2).63SEMICONDUCTOR DATA22C0NTf0 L UNIT(X53-3602-70)(B/2)..64DESCRIPTION OF COMPONENTS.........29pLL/VC0(X58-4322-XX)…65PARTS LIST.32SPECIFICATIONS..............................67EXPLODED VIEW.......40
请登录后查看评论内容