

第1页 / 共53页

第2页 / 共53页

第3页 / 共53页

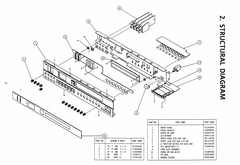
第4页 / 共53页

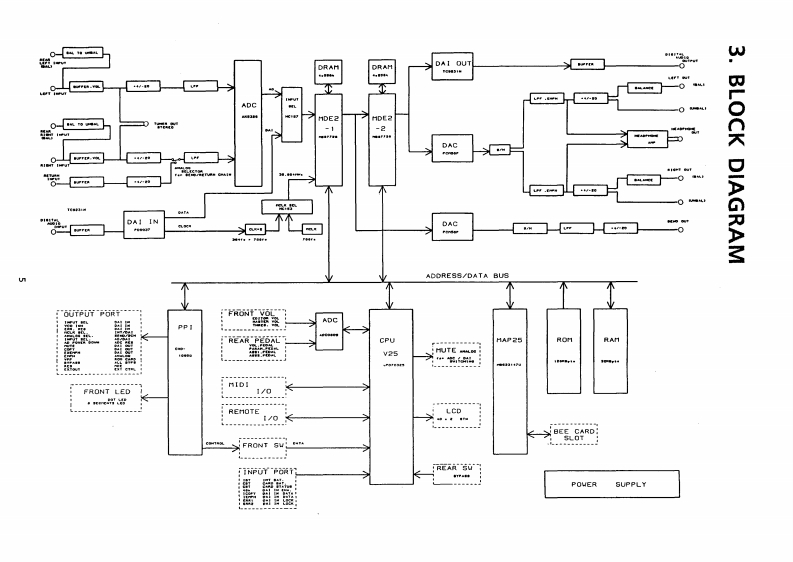
第5页 / 共53页

第6页 / 共53页

第7页 / 共53页

第8页 / 共53页

第9页 / 共53页

第10页 / 共53页
试读已结束,还剩43页,您可下载完整版后进行离线阅读
THE END
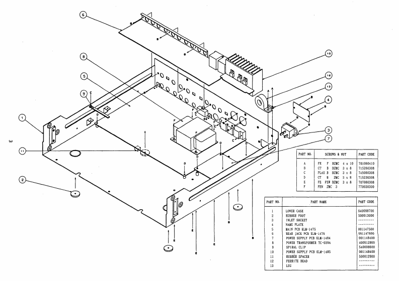
SERVICE MANUALPERFORMANCE SIGNAL PROCESSORAlCONTENTS1.SPECIFICATIONS2.STRUCTURAL DIAGRAM3.BLOCK DIAGRAM54.CIRCUIT DIAGRAM6-a5.P.CB0ARDS…6.CIRCUIT EXPLANATION...............................127.DIAGNOSTIC TEST148.REFERENCE DATA239.PARTSLIST .........................................41KORG
请登录后查看评论内容