

第1页 / 共30页

第2页 / 共30页

第3页 / 共30页

第4页 / 共30页

第5页 / 共30页

第6页 / 共30页

第7页 / 共30页

第8页 / 共30页

第9页 / 共30页

第10页 / 共30页
试读已结束,还剩20页,您可下载完整版后进行离线阅读
THE END
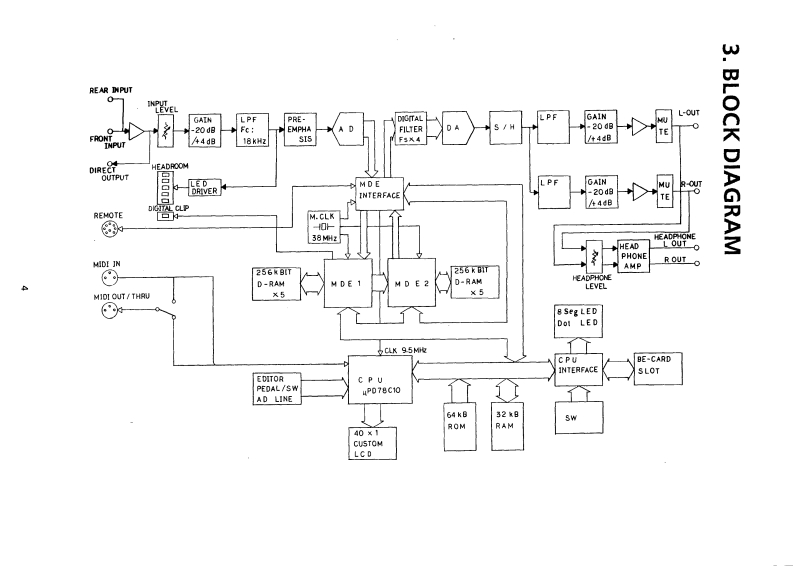
SERVICE MANUALPERFORMANCESIGNAL PROCESSORA3CONTENTS1.SPECIFICATIONS................................22.STRUCTURAL DIAGRAM33.BLOCK DIAGRAM4.CIRCUIT DIAGRAM……55.p.C.BOARD...................................106.REFERENCE DATA..............................147.CHECK AND ADJUSTMENT......................238.PART5LIST…25KORG
请登录后查看评论内容