

第1页 / 共12页

第2页 / 共12页

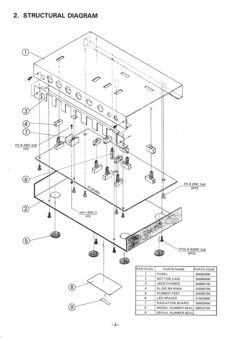
第3页 / 共12页

第4页 / 共12页

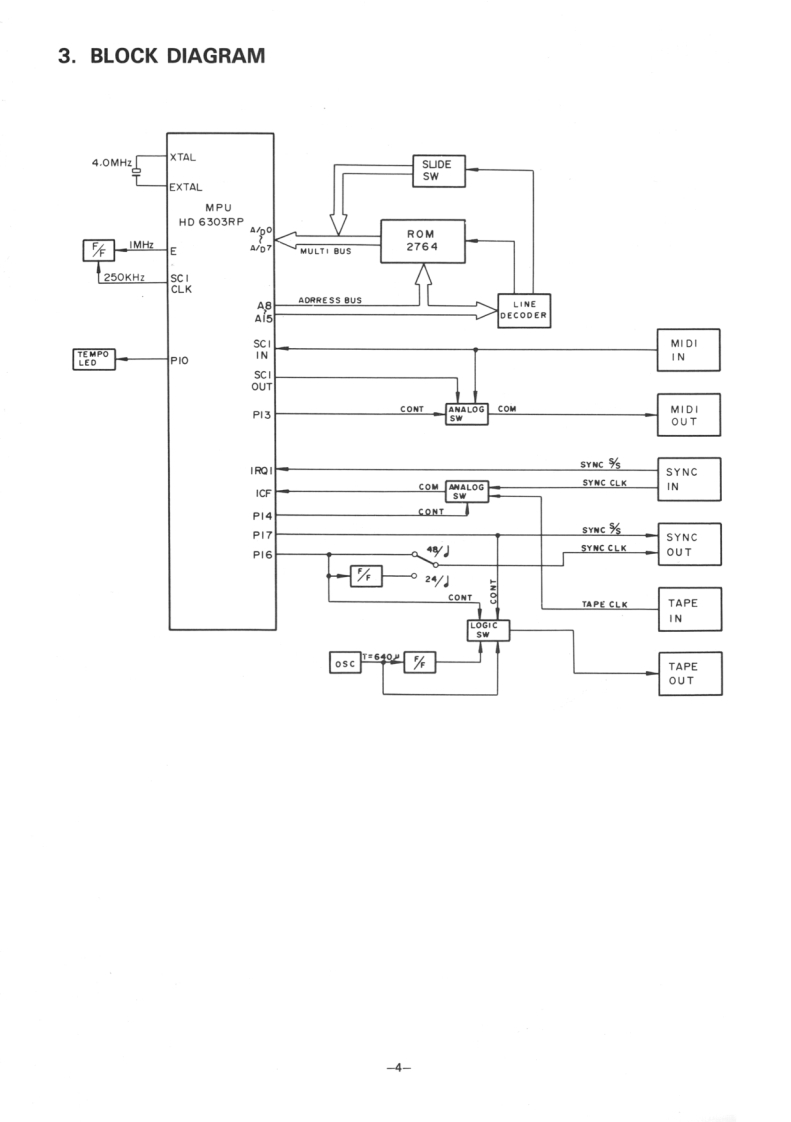
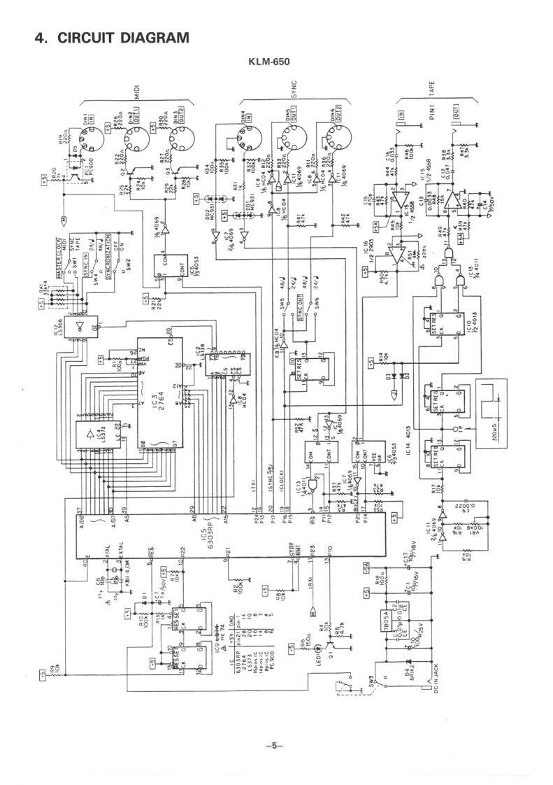
第5页 / 共12页

第6页 / 共12页

第7页 / 共12页

第8页 / 共12页

第9页 / 共12页

第10页 / 共12页
试读已结束,还剩2页,您可下载完整版后进行离线阅读
THE END
KORG1m10KORGMIDI SYNCHRONIZERMIDI SYNCHRONIZERSERVICEMANUALKMS-30CONTENTS1.SPECIFICATIONS,···22.STRUCTURAL DIAGRAM,..·,···.:,·.·3.BLOCK DIAGRAM ................................4.CIRCUIT DIAGRAM ..............................55.PCB0ARD,,,,,,,,,66.CIRCUIT DESCRIPTIONS.,,,··7.TROUBLESHOOTING CHART,,,,,,,,·,··:·······98.PARTS LIST…10KEIO ELECTRONIC LABORATORY CORPORATIONTOKYO/JAPANTHIS MANUAL WAS SCANNED,CLEANED AND MADE AVAILABLE AS FREE DOWNLOAD BY SYNFO.NL
请登录后查看评论内容