Vox_AD120VT_维修手册含电器原理图_Complete

Vox_AD120VT_维修手册含电器原理图_Complete-找手册网
Vox_AD120VT_维修手册含电器原理图_Complete
此内容为付费资源,请付费后查看
1921
立即购买
您当前未登录!建议登陆后购买,可保存购买订单
付费资源

第1页 / 共35页

第2页 / 共35页

第3页 / 共35页

第4页 / 共35页

第5页 / 共35页

第6页 / 共35页

第7页 / 共35页

第8页 / 共35页

第9页 / 共35页

第10页 / 共35页
试读已结束,还剩25页,您可下载完整版后进行离线阅读
THE END
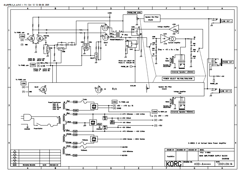
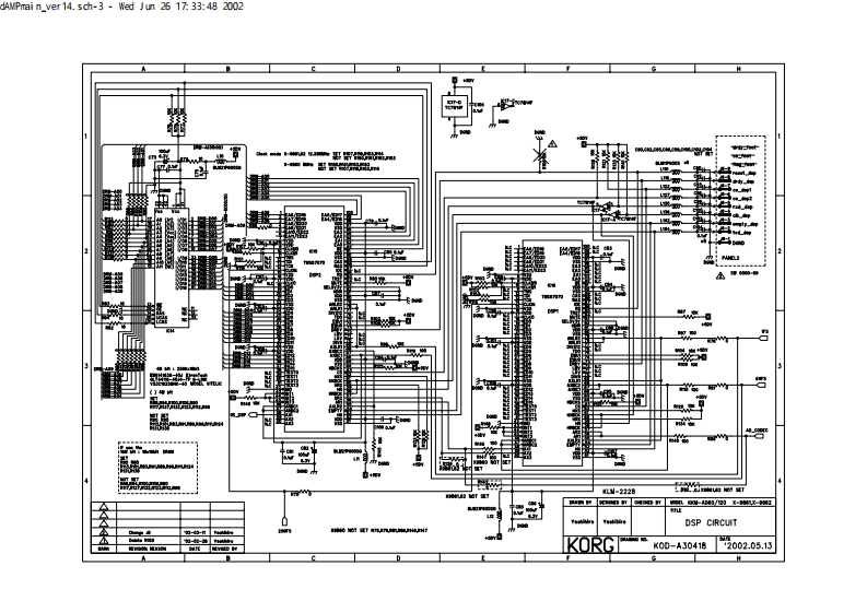
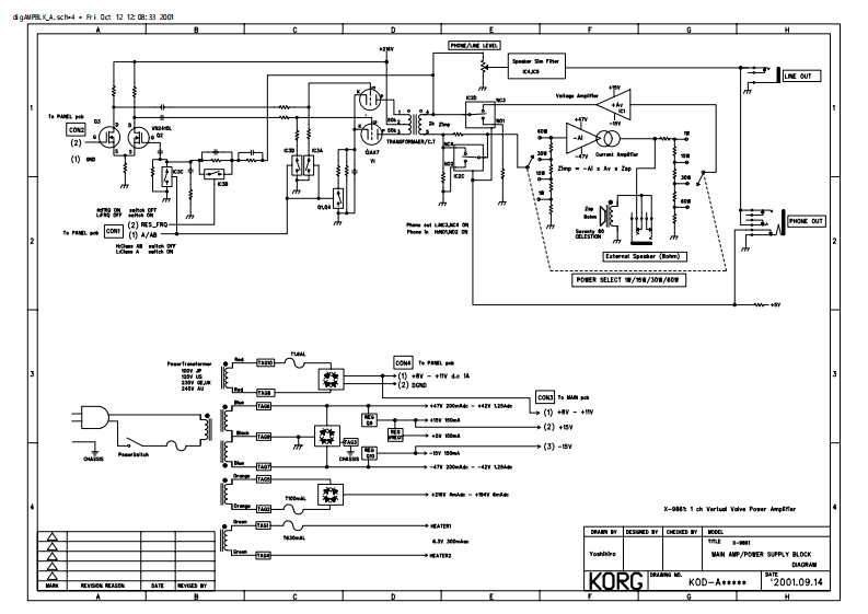
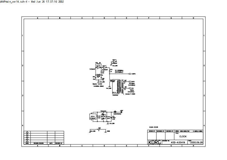
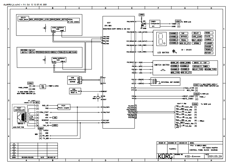
Service ManualADD120VTCONTENTSCircuit Diagram:Page 2-15Structural Diagram:Page 16-17Test Mode:Page 18-19Parts List:Page:20-353d EditionIssued date:June 20th,2003Issued by:KORG INC.
喜欢就支持一下吧
评论 抢沙发

请登录后发表评论

    请登录后查看评论内容