Vox_Pathfinder-V1011-维修手册含电器原理图

Vox_Pathfinder-V1011-维修手册含电器原理图-找手册网
Vox_Pathfinder-V1011-维修手册含电器原理图
此内容为付费资源,请付费后查看
1921
立即购买
您当前未登录!建议登陆后购买,可保存购买订单
付费资源

第1页 / 共4页

第2页 / 共4页

第3页 / 共4页

第4页 / 共4页
已完成全部阅读,共4
THE END
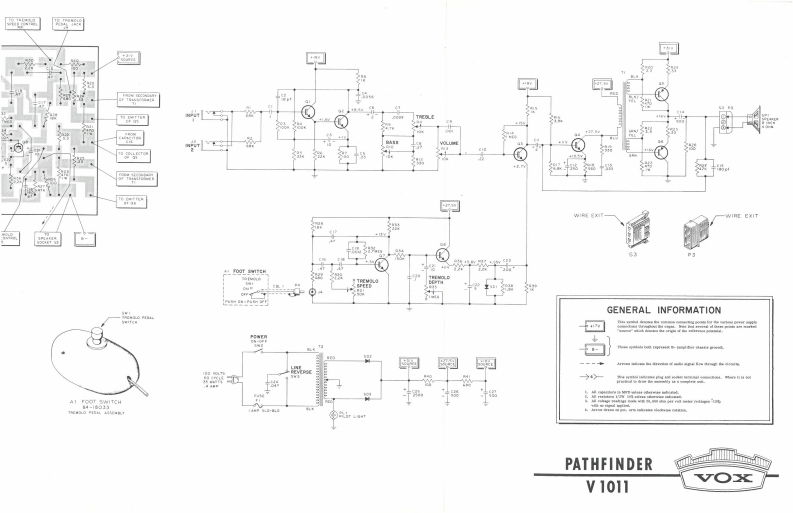
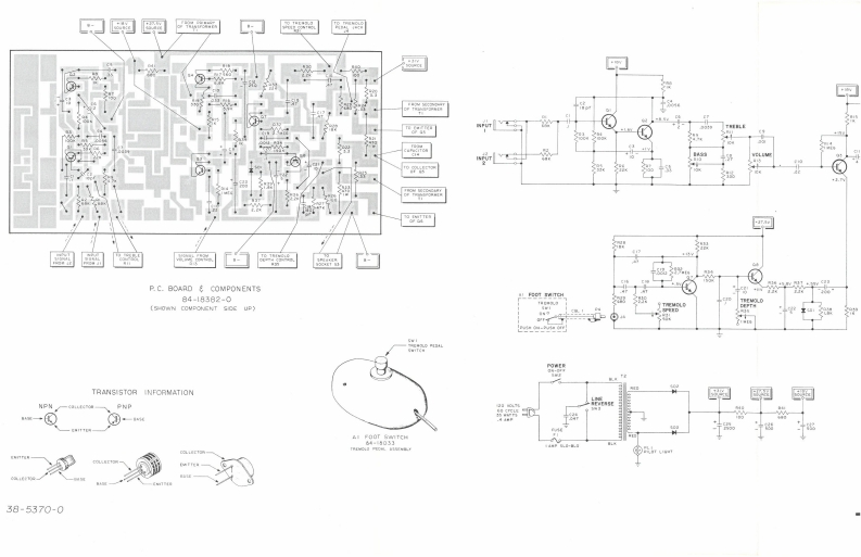
32因圆中路WIRE ExITWINE EXITGENERAL INFORMATION网↓PATHFINDERV10117○2x
喜欢就支持一下吧
评论 抢沙发

请登录后发表评论

    请登录后查看评论内容