Vox_Super-Beatle-V1141-维修手册含电器原理图

Vox_Super-Beatle-V1141-维修手册含电器原理图-找手册网
Vox_Super-Beatle-V1141-维修手册含电器原理图
此内容为付费资源,请付费后查看
1921
立即购买
您当前未登录!建议登陆后购买,可保存购买订单
付费资源

第1页 / 共4页

第2页 / 共4页

第3页 / 共4页

第4页 / 共4页
已完成全部阅读,共4
THE END
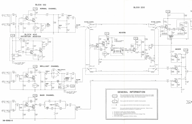
BLOCK 100NORMAL CHANNELBLOCK 200REVERB7BLOCK 400:洲DISTORTION BOOSTER吧NIXER①BRILLIANT CHANNEL四GENERAL INFORMATIONBASS CHANNEL生438-5382-0
喜欢就支持一下吧
评论 抢沙发

请登录后发表评论

    请登录后查看评论内容