

第1页 / 共113页

第2页 / 共113页

第3页 / 共113页

第4页 / 共113页

第5页 / 共113页

第6页 / 共113页

第7页 / 共113页

第8页 / 共113页

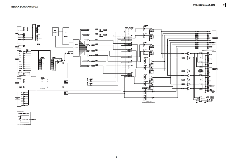
第9页 / 共113页

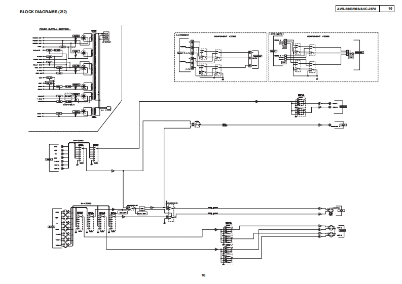
第10页 / 共113页
试读已结束,还剩103页,您可下载完整版后进行离线阅读
THE END
DENONFor U.S.A.,Canada,Europe,Asia,China,Hong Kong,Taiwan R.O.C.,Korea Japan modelVer.2SERVICE MANUALMODELAVR-2803/983AVC-2870AV SURROUND RECEIVER/AMPLIFIER注意少一七又在右C在前1仁、二)廿一上久マ二1了儿在必式书蔬品<老(。本機志、火災、感電、付州友仁对村百安全性苍確保寸大妙仁、老未芯ま:配慮苍书二友一℃书、东大法的仁体「電氨用品安全法」仁花上老、所定D許可在得T製造这九℃书)未寸。徒p℃少一上又在书二存際志、二九5)安全性力雒持老九石上方、二)少一上久マ二ュ了仁記載è九℃(1石注意事項在必方守)<老(。●本機)仕横休性能改良)大协、予告在〈变更亨乙之扩态)$。●補修用性能部品)保有期間休、製造打切後8年飞寸。Please use this service manual with referring to the●修理)際休、必寸取极脱明害左参照)上、作業左operating instructions without fail.行(〈龙志。Some illustrations using in this service manual are●本文中忙使用L(石亻ラ又卜休、脱明)都合上slightly different from the actual set.現物七多少異在石場合尔扬)未李。DENON,Ltd.16-11,YUSHIMA 3-CHOME,BUNKYOU-KU,TOKYO 113-0034 JAPANTelephone:03(3837)5321X0163V.02 DE/CDM0302
请登录后查看评论内容