

第1页 / 共72页

第2页 / 共72页

第3页 / 共72页

第4页 / 共72页

第5页 / 共72页

第6页 / 共72页

第7页 / 共72页

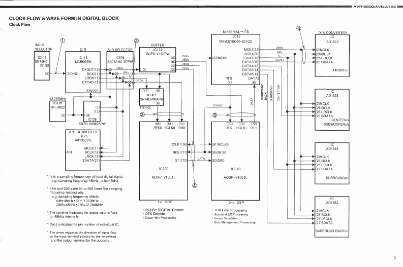
第8页 / 共72页

第9页 / 共72页

第10页 / 共72页
试读已结束,还剩62页,您可下载完整版后进行离线阅读
THE END
DENONHi-Fi ComponentSERVICE MANUALMODEL AVR-5800MODEL AVC-A1SEAV SURROUND RECEIVER /AMPLIFIERCharger Base StationAVR-5800 model only买原80866-TABLE OF CONTENTS-SAFETY PRECAUTIONS21U-3292-5H/P UNIT.79SPECIFICATIONS..21U-3292-6POWER SW UNITWIRE ARRANGEMENT3.41U-3292-7232C UNITDISASSEMBLY5-81U-3292.8NON LOCK SW UNIT79CLOCK FLOW WAVE FORM IN DIGITAL BLOCK.101U-3292-9AC OUTLET UNIT1U-3292-10LEVEL DIAGRAMSPRIMARY UNIT.11-137ADJUSTMENT.1U-3292-11MULTI OUT UNIT7.14,156/13)1U-3293-1AUDIO IN UNIT80SEMICONDUCTORS16-311U-3293-5AMP CONN.L UNITPRINTED WIRING BOARDS132-421U-3293-6AMP CONN.R UNIT80NOTE FOR PARTS LIST.43(7/13)1U-3293-2S.VIDEO UNIT81PARTS LIST OF P.W.B.UNIT ASSY44-61U-3293-3C.VIDEO UNIT81EXPLODED VIEW....01U-3293-4COMP,VIDEO UNIT81PARTS LIST OF EXPLODED VIEW.....m1144.71,72B/13)1U-3294-1SP UNIT-1....PACKING VIEW1U-3294-272SP UNIT-21-3294.3PRE REG.UNITPARTS LIST OF PACKING ACCESSORIES72821U-3294-4RECTIFIER UNIT8BLOCK DIAGRAM731-3294-5REG.DRIVE UNIT82WIRING DIAGRAM741U-3294-6CONNECT UNIT4444482SCHEMATIC DIAGRAMS.75-871U-3294-7DIODE UNIT.2(1/13)1U-3291DSP UNIT (1/4)751U-3294.10V.C0WN..1UN82/13)1U3291DSP UNIT (2/4)1U-3294-11V.CONN.-2 UNIT31311U3291DSP UNIT (3/4)...1U-3294-12V.CONN.-3 UNIT82(4/1311U-3291DSP UNIT (4/4)(9/13)1U-3295EXT IN VOL UNIT (1/2)835/13)1U3292-1FLD UNIT的(10/13)1U-3295EXT IN VOL UNIT (2/2).....841U-3292.2REMOCON UNIT(11/13)1U-3296-1LCH AMP UNIT851U-3292-3TACT SW UNIT(12/13)1U-3296-2RCH AMP UNIT861U-3292-4MASTER VR UNIT79(13/131L山.20TUNER UNIT.87Some illustrations using in this service manual are slightly different from the actual set.NIPPON COLUMBIA CO.,LTD.
请登录后查看评论内容