Denon-AVR1505-avr-维修说明书手册含电器原理图

Denon-AVR1505-avr-维修说明书手册含电器原理图-找手册网
Denon-AVR1505-avr-维修说明书手册含电器原理图
此内容为付费资源,请付费后查看
1921
立即购买
您当前未登录!建议登陆后购买,可保存购买订单
付费资源

第1页 / 共59页

第2页 / 共59页

第3页 / 共59页

第4页 / 共59页

第5页 / 共59页

第6页 / 共59页

第7页 / 共59页

第8页 / 共59页

第9页 / 共59页

第10页 / 共59页
试读已结束,还剩49页,您可下载完整版后进行离线阅读
THE END
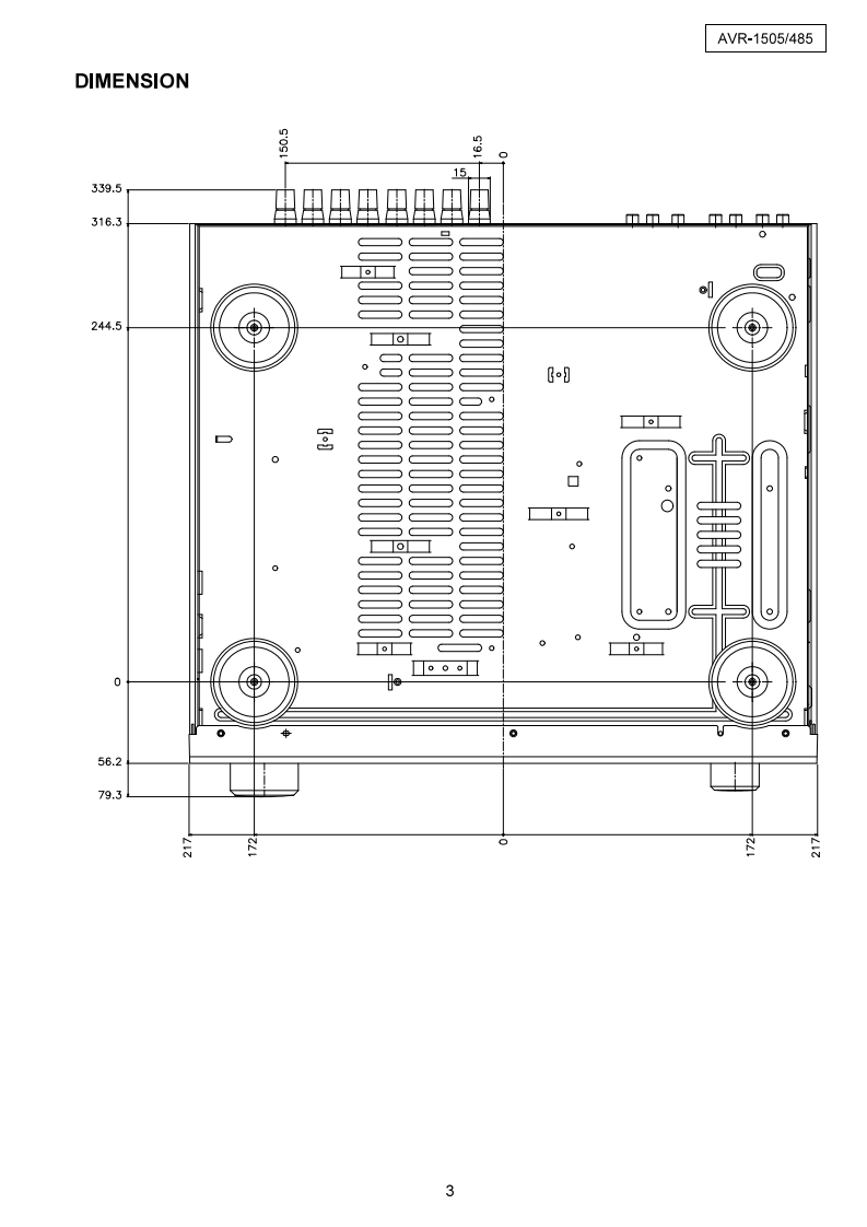
DENONFor U.S.A.Canada modelSERVICE MANUALVer.1MODEL AVR-1505/485AV SURROUND RECEIVER注意廿一七又左方乙存前忙、乙0廿一心久又二1了儿在必式蔬《龙古。本機体、火災、感電、付存忙对寸局安全性左確保寸石左协忙、志朱过去存配虑卷书乙本p了方)、朱龙法的体「電氨用品安全法」忙屯上老、所定)許可左得(製造志九(书)东寸。徙)(少一上又左方乙在際志、乙九5)安全性維持达九石女、乙)少一上又マ二ュ了儿記載达九(U八石注意事項左必式书守)〈龙古L八。For purposes of improvement,specifications and·本機)仕横狱性能改良)大边、予告在〈变更寸石乙匕design are subject to change without notice.齿)害$。●辅修用性能部品)保有期間体、製造打切後8年飞寸。Please use this service manual with referring to the·修理際:、必式取极说明苦卷参照)上、作業卷行一operating instructions without fail.(〈龙t。.Some illustrations using in this service manual are·本文中!忙使用L(石亻与又卜体、説明)都合上現物slightly different from the actual set.上多少異在石場合态)主寸。DENON,Ltd.16-11,YUSHIMA 3-CHOME,BUNKYO-KU,TOKYO 113-0034 JAPANX0207V.01DE/CD☑0407
喜欢就支持一下吧
评论 抢沙发

请登录后发表评论

    请登录后查看评论内容