HarmanKardon-200-rec-维修说明书手册含电器原理图

HarmanKardon-200-rec-维修说明书手册含电器原理图-找手册网
HarmanKardon-200-rec-维修说明书手册含电器原理图
此内容为付费资源,请付费后查看
1921
付费资源

第1页 / 共8页

第2页 / 共8页

第3页 / 共8页

第4页 / 共8页

第5页 / 共8页

第6页 / 共8页

第7页 / 共8页

第8页 / 共8页
已完成全部阅读,共8
THE END
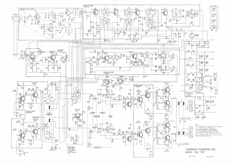
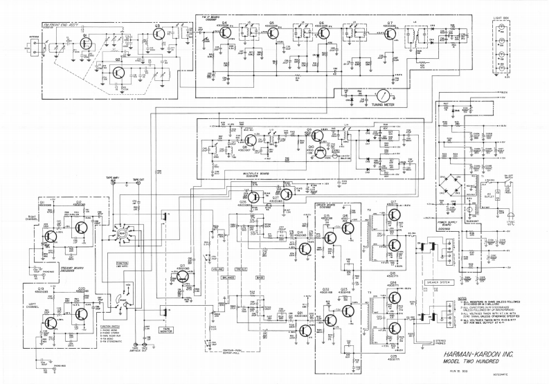
SERVICE AND TECHNICAL MANUALMODELSTWO HUNDREDTWO TENPOWER SUPPLYBOARD299200UF0ce-bEI8TWOHUNDREDPOWER SUPPLYBOARD199200UTWOTEN+8+harmankardonINCORPORATED55 AMES COURT,PLAINVIEW,N.Y.11803
喜欢就支持一下吧
评论 抢沙发

请登录后发表评论

    请登录后查看评论内容