

第1页 / 共40页

第2页 / 共40页

第3页 / 共40页

第4页 / 共40页

第5页 / 共40页

第6页 / 共40页

第7页 / 共40页

第8页 / 共40页

第9页 / 共40页

第10页 / 共40页
试读已结束,还剩30页,您可下载完整版后进行离线阅读
THE END
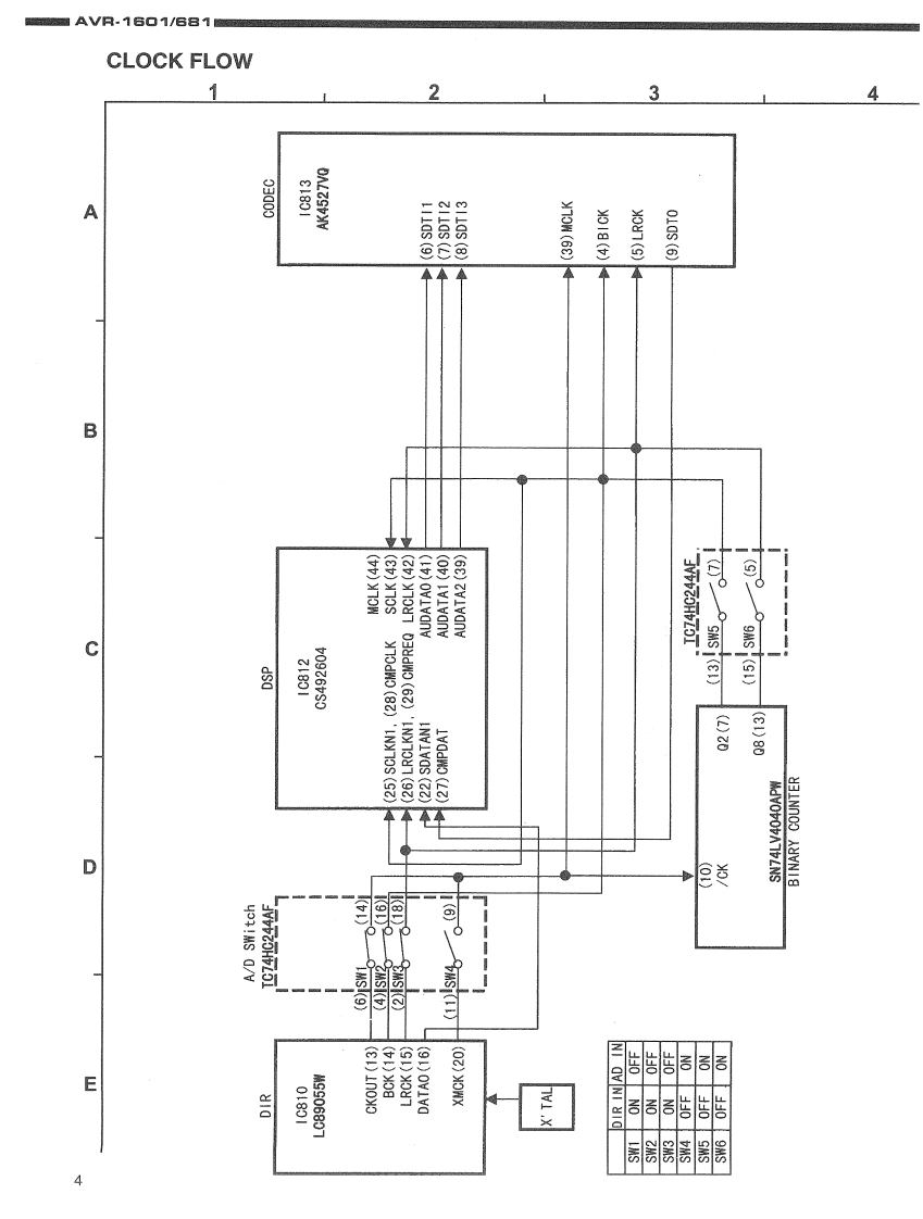
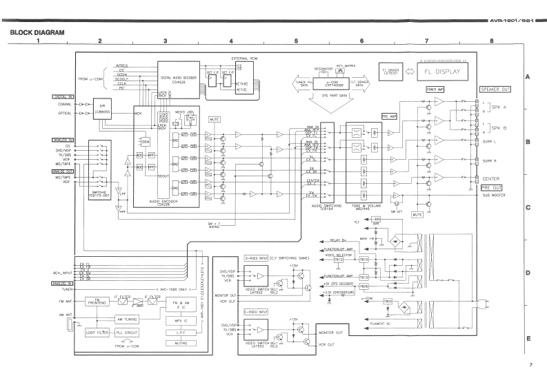
DENONHi-Fi ComponentSERVICE MANUALMODEL AVR-1601/681AV SURROUND RECEIVERDENON囂DTS66-66666-6668马高骂苦马芦警用昌昌一TABLE OF CONTENTS-SAFETYSPECIFICATIONS,2DISASSEMBLY...3CLCK FLOW...LEVEL DIAGRAM.........5,6BLOCK DIAGRAM.7ADJUSTMENT.8SEMICONDUCTORS.....9-15PRINTED WIRING BOARDS.....................16-23NOTE FOR PARTSPARTS LIST OF P.W.B.UNIT ASS'Y....25-37EXPLODED VIEW....…38PARTS LIST OF EXPLODED VIEW............39WIRING DIAGRAM.40SCHEMATIC DIAGRAMS41-48(1/8)MAIN UNIT /VOLTAGE SEL UNIT…41(2/8)INPUT UNIT.....3(3/8)FRONT UNIT /TACT S/UNIT H/P,POWER S/W UNIT43(468)CPU UNIT /PRE-AMP UNIT.44(5/8)CNT UNIT.....…45(6/8)VIDEO UNITS-VIDEO UNIT.......................46(718)TUNER UNIT....47(B/8)DSP UNIT........48PACKING VIEW49PARTS LIST OF PACKING ACCESSORIES......................49Some illustrations using in this service manual are slightly different from the actual set.NIPPON COLUMBIA CO LTD
请登录后查看评论内容