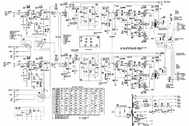
HarmanKardon-230BALLAD-int-电气原理图手册找手册网29天前发布关注私信0.80MB2页042HarmanKardon-230BALLAD-int-电气原理图手册此内容为付费资源,请付费后查看¥19¥21黄金会员免费钻石会员免费登录购买付费资源 第1页 / 共2页 第2页 / 共2页 已完成全部阅读,共2页 THE END哈曼卡顿/飞利浦 文本预览 CENTER SPEARER SLECTORs[0州AuL#SELECTO9MaLE nLtl因TRLOLELOUCNESSBALANCEG14 查看更多 收起部分 喜欢就支持一下吧收藏
请登录后查看评论内容