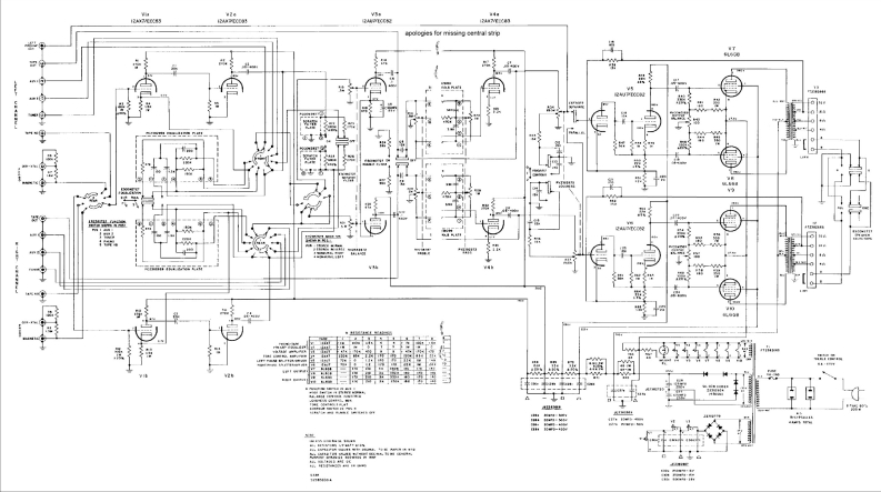
HarmanKardon-250EPIC-int-电气原理图手册

HarmanKardon-250EPIC-int-电气原理图手册-找手册网
HarmanKardon-250EPIC-int-电气原理图手册
此内容为付费资源,请付费后查看
1921
付费资源

第1页 / 共5页

第2页 / 共5页

第3页 / 共5页

第4页 / 共5页

第5页 / 共5页
已完成全部阅读,共5
THE END
400FUNCTIONTREBLEBASSLOUONESSBALANC E中营生中诗主
喜欢就支持一下吧
评论 抢沙发

请登录后发表评论

    请登录后查看评论内容