

第1页 / 共40页

第2页 / 共40页

第3页 / 共40页

第4页 / 共40页

第5页 / 共40页

第6页 / 共40页

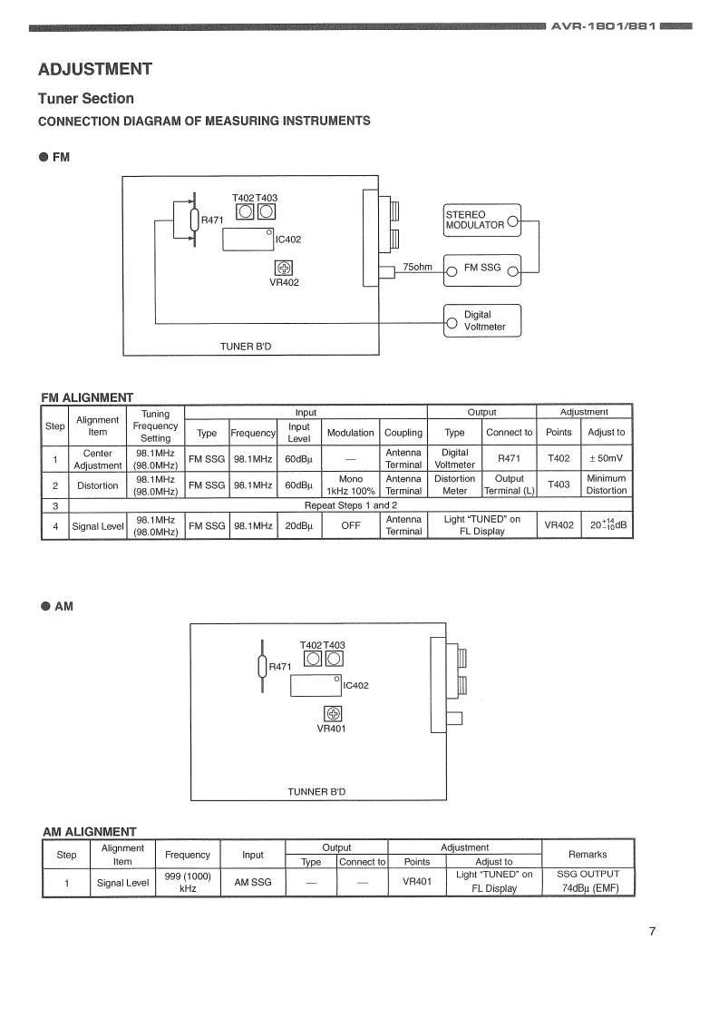
第7页 / 共40页

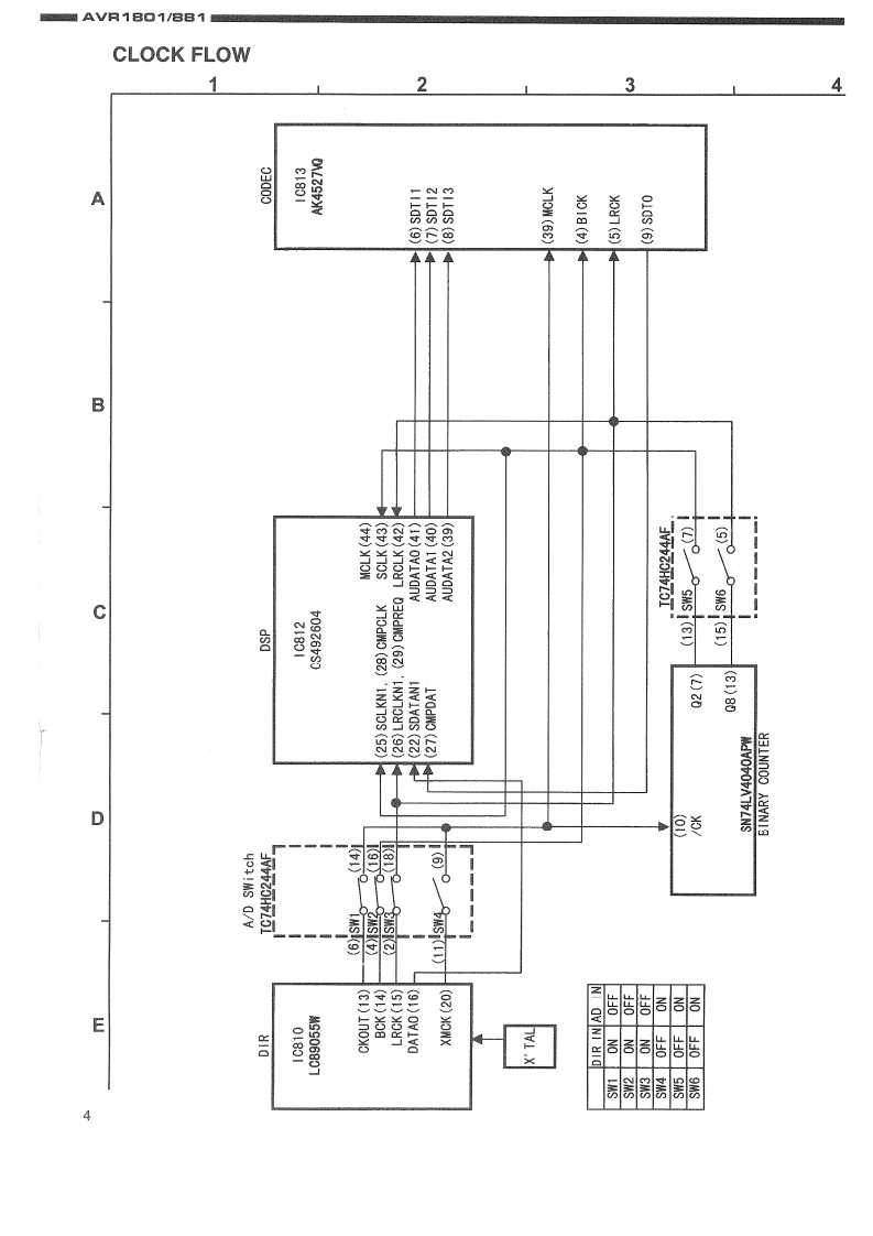
第8页 / 共40页

第9页 / 共40页

第10页 / 共40页
试读已结束,还剩30页,您可下载完整版后进行离线阅读
THE END
DENONHi-Fi ComponentSERVICE MANUALMODEL AVR.18▣1/881AV SURROUND RECEIVER8-6666-668百言马苦首08-TABLE OF CONTENTS-SAFETY PRECAUTIONS.2PACKING VIEW ........38SPECIFICATIONS2PARTS LIST OF PACKING ACCESSORIES.......38DISASSEMBLY.3BLOCK DIAGRAM.....39CL0 CK FLOW…gWIRING DIAGRAM....40LEVEL DIAGRAMS5,6SCHEMATIC DIAGRAMS.41-48ADJUSTMENT....78(1/8)MAIN UNIT.VOLTAGE SEL UNIT41SEMICONDUCTORS.9.15(2/8)INPUT UNIT........42PRINTED WIRING BOARDS16-23(3/8)FRONT UNIT,TACT S/W UNITNOTE FOR PARTS LIST.24H/P.POWER S/W UNIT ..........43(48)CPU UNIT...44PARTS LIST OF P.W.B.UNIT ASS'Y ...................24-3536(5/8)CNT UNIT,PRE-AMP UNIT.45EXPLODED VIEW…(6/8)VIDEO UNIT,S-VIDEO UNIT46PARTS LIST OF EXPLODED VIEW(7/8)TUNER UNIT47(8/8)DSP UNIT48Some illustrations using in this service manual are slightly different from the actual set.NIPPON COLUMBIA CO.,LTD.
请登录后查看评论内容