

第1页 / 共60页

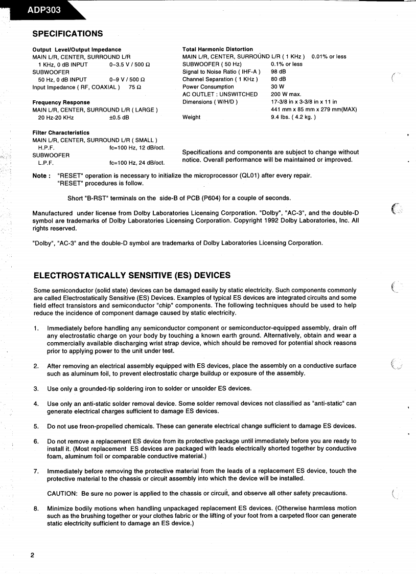
第2页 / 共60页

第3页 / 共60页

第4页 / 共60页

第5页 / 共60页

第6页 / 共60页

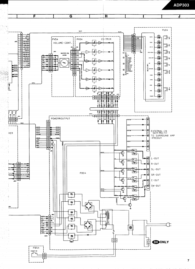
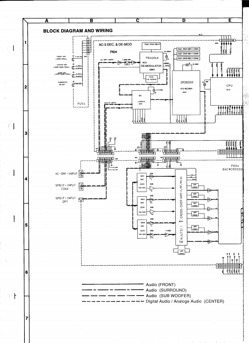
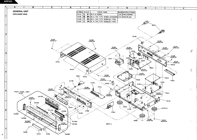
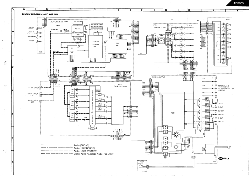
第7页 / 共60页

第8页 / 共60页

第9页 / 共60页

第10页 / 共60页
试读已结束,还剩50页,您可下载完整版后进行离线阅读
THE END
The Harman KardonModel ADP303Manual AADP303DOLBY DIGITAL DECODERTechnical Manualharman/kardon ADP303oǒooδooΦDDDDThe following marks found in the parts list of this manualidentify the models as follows.BK ADP303North America area model Black versionIBADP303International model Black versionCONTENTSSPECIFICATIONS2GENERAL UNIT PARTS LIST....9.ELECTROSTATICALLY SENSITIVE (ES)DEVICE...2DISASSEMBLY PROCEDURES......9LEAKAGE P.C.BOARDS...10CONTROLS AND FUNCTIONS................4ELECTRICAL PARTS LIST...........................13TECHNICAL DESCRIPTION......6IC BLOCK DIAGRAMS..21SIGNAL AND CIRCUIT DESCRIPTION.........6SCHEMATIC DIAGRAMS........25BLOCK DIAGRAM AND WIRING.......7PIN CONNECTION DIAGRAM...30GENERAL UNIT EXPLODED VIEW ...................8PACKING MATERIAL.............................30harman/kardonParts and Service Office80 Crossways Park West,Woodbury,N.Y.117971112-ADP303 500 Printed in Japan
请登录后查看评论内容