

第1页 / 共80页

第2页 / 共80页

第3页 / 共80页

第4页 / 共80页

第5页 / 共80页

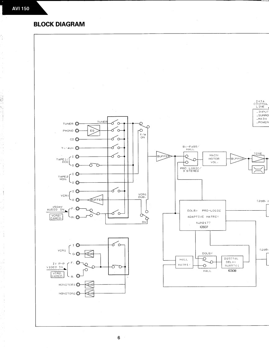
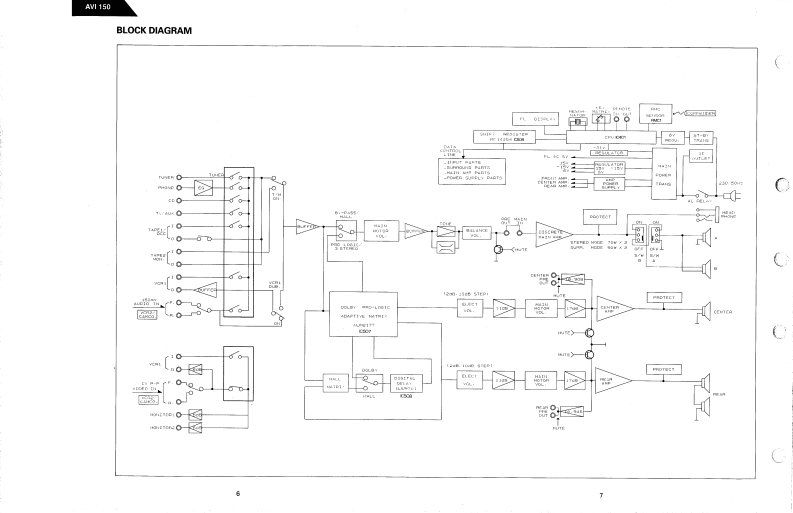
第6页 / 共80页

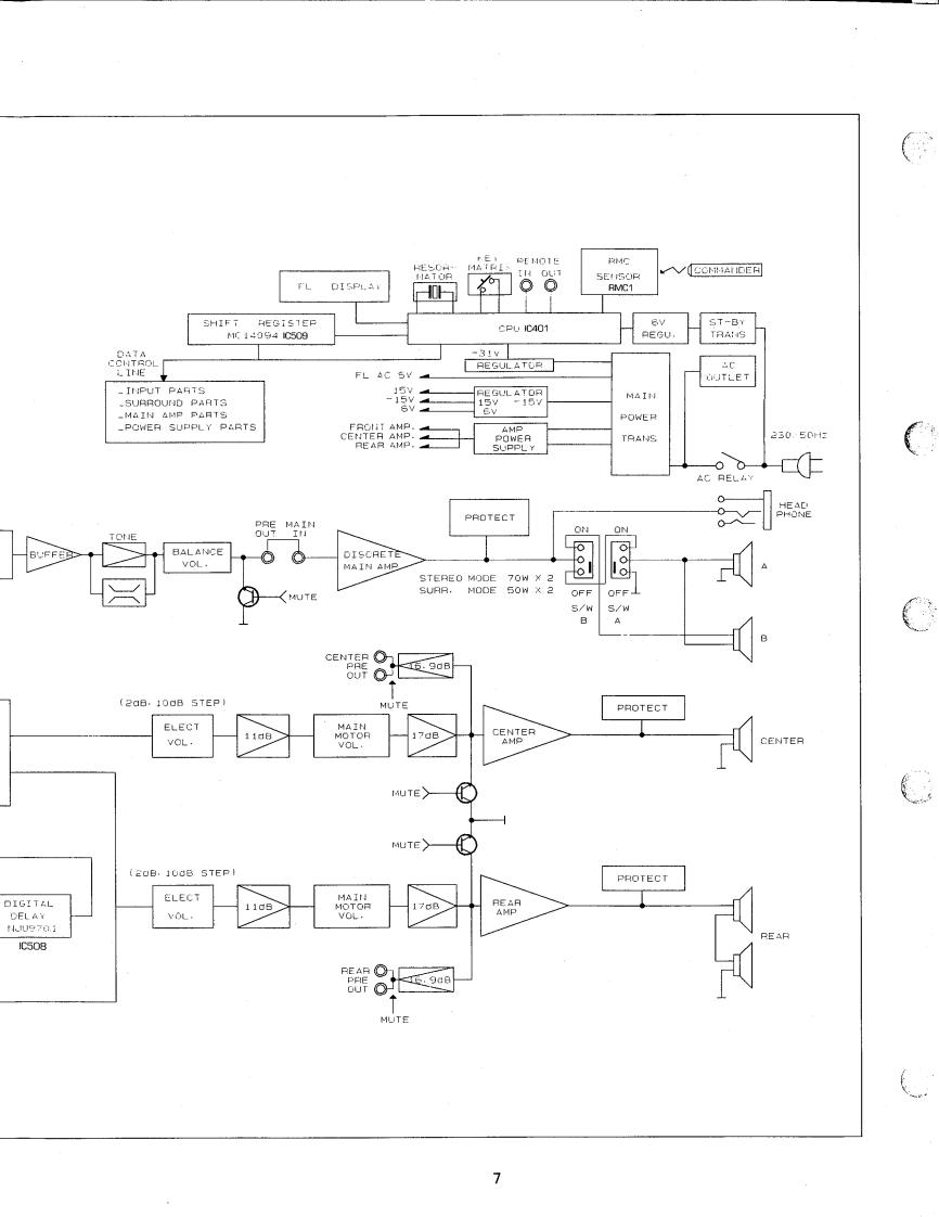
第7页 / 共80页

第8页 / 共80页

第9页 / 共80页

第10页 / 共80页
试读已结束,还剩70页,您可下载完整版后进行离线阅读
THE END
The Harman KardonModel AVI150Manual AAUDIO AND VIDEO AMPLIFIERTechnical Manualhamman./kardon A销l508888888-。o⊙⊙⊙CONTENTS■SPECIFICATIONS…2GENERAL UNIT…18LEAKAGE TESTPRINTED CIRCUIT BOARDS ......................20CONTROLS AND FUNCTIONS44+44…4ELECTRICAL PARTS LIST.................26BLOCK DIAGRAM…6SEMICONDUCTOR LEAD IDENTIFICATIONDISASSEMBLY PROCEDURES...............8INTERNAL DIAGRAM44…31CIRCUIT DESCRIPTION............10PACKAGE…37TROUBLESHOOTING…15WIRING DIAGRAM*+1*38GENERAL UNIT PARTS LIST.....................17SCHEMATIC DIAGRAMS (I,II,III,IV)…39harman/kardonParts and Service Office80 Crossways Park West,Woodbury,N.Y.117971112-AVI150A G9603 1200 Printed in Korea
请登录后查看评论内容