

第1页 / 共53页

第2页 / 共53页

第3页 / 共53页

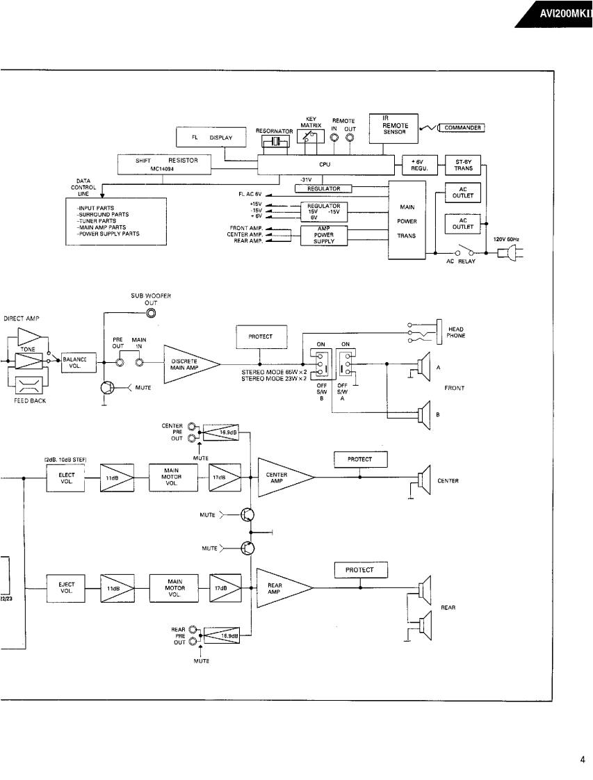
第4页 / 共53页

第5页 / 共53页

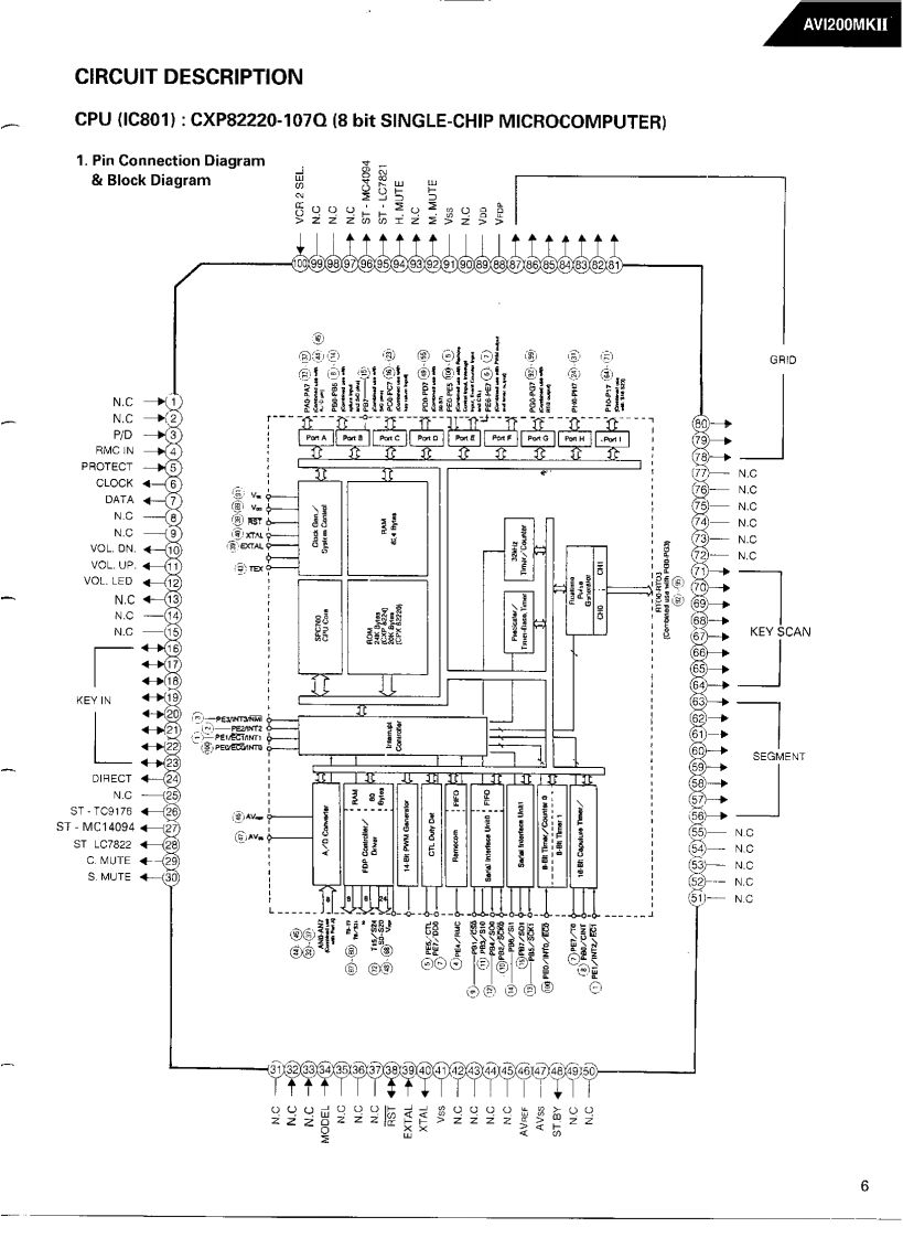
第6页 / 共53页

第7页 / 共53页

第8页 / 共53页

第9页 / 共53页

第10页 / 共53页
试读已结束,还剩43页,您可下载完整版后进行离线阅读
THE END
4)The Harman KardonModel AVI200MKIIAUDIO AND VIDEO AMPLIFIERTechnical Manualharman.kardon AV1 200l8日=+mO0⊙CONTENTSSPECIFICATIONS...................2GENERAL UNIT+…14EAKAGE TEST4…3PRINTED CIRCUIT BOARDS.......15BLOCK DIAGRAM…4ELECTRICAL PARTS LIST........................17CONTROLS AND FUNCTIONS.................5IC FUNCTIONAL BLOCK DIAGRAM...22CIRCUIT DESCRIPTION…6NIRING DIAGRAM…26DISASSEMBLY PROCEDURES…10SCHEMATIC DIAGRAM (I).......................27TROUBLESHOOTING.............................11SCHEMATIC DIAGRAM (II).28GENERAL UNIT PARTS LIST.......................13SCHEMATIC DIAGRAM (IID)..........29harman/kardonParts and Service Office80 Crossways Park West,Woodbury.N.Y.117971112-AVR200MKII G9604 1200 Printed in Korea
请登录后查看评论内容