

第1页 / 共130页

第2页 / 共130页

第3页 / 共130页

第4页 / 共130页

第5页 / 共130页

第6页 / 共130页

第7页 / 共130页

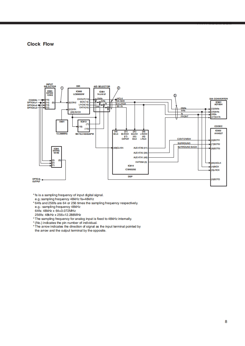
第8页 / 共130页

第9页 / 共130页

第10页 / 共130页
试读已结束,还剩120页,您可下载完整版后进行离线阅读
THE END
SAFETY PRECAUTIONSThe following check should be performed for the continued protection of the customer and service technician.LEAKAGE CURRENT CHECKBefore returning the unit to the customer,make sure you make either(1)a leakage current check or(2)a line to chassisresistance check.If the leakage current exceeds 0.5 milliamps,or if the resistance from chassis to either side of thepower cord is less than 460 kohms,the unit is defective.SPECIFICATIONS■AUDIO SECTION●Power AmplifierRated output:90W+90W(@26hms,20H也-20也imQ.05%TH.D)135W+135W(Vohms,1h0.7%TH.D】+150W(Center:nms,20m0.05%TH.D.Surround:9o2msE5nQ7飞HD)20H-20Hm0.05%TH.D.with 0.7%T.H.D.+150W(6ms,Surround Back:6msn0.05%T.H.D1h0.7%®51A.nDynamic power120W×2c82h170W×2c的40hOutput terminals:A or B 6 -160/chnA+B 8 -160/hmsCenter,Surround,Surr.Back:6-160/ohms●AnalogInput senstivityinput impedance:200mV//kohms00z:+0,-3dB (DIRECT mode)Q.005%(20zRated output:1.2w◆DigitalD/A output:Rated output-2V (at OdB playback)Total harmonic distor Son-0.008%(1 kHz,at 0 dB)SNrato-10208Dynamic range一96dBDigital input中Format-Digtal audio intertace◆Phono equalizer(PHONO input-一REC OUT)25mVDis lortion tactor:Q.03%(1H也,3V■VIDEO SECTION●Standard video jacks2,+0.-3d8●s-video iacksInouyoubut level and impedanceY(brighiness到signal.一1Vp-a,726hmsC (color)signal-0.286Vp-p,750/hmsFrequency response:5Hzw10MHz一+0,-3BColor component video jacksInpuvoutput level and impedance:Y (brightness)signal-1Vp-p,750/ohmsFrequency response:5拉-27Mz+0,-3dB■TUNER SECTIONFM](note:uV at 750hms,0dBt-1 x 1015W)[AM]Receiving Range:8W50WMH也=107.90MH也520H位-1710也(for U.SA.,Canada and multple voitage modes)(for U.SA.,Canada and Multiple voltage models)8750MH也-10800MH也522H位-1611Hz(br Europe,Asia.China Hong Kong.Twan ROC.and Mtiple voltage models)(br Eurgpe.Aeia Chira.Hang Kong.Taiwan RO.C.and mutiple voltage models)y:1.0W112dB)18uVS/N (IHF-A):778Total Harmonic Dis torton (at 1kHz):0.153TERE0正.03a■GENERALPower supplyAC120V 60Hz (for U.SA.,Canada and Taiwan R.O.C.models)oden)AC220V 50Hz5060Hz (or Asia,Hong Kong and Multple voltage models)Power consumpfon5.0A (or USA.&CanadaW (o Euemna tiong Kong and Mutide woltage models)650W (for Taiwan R.O.C.moden)20W Max (Standty)4340×i71×418(D)mm(173/32*×&-1132×18-38115g250g62)REMOTE CONTROL UNIT (RC-903:for U.S.A.,Canada,Asia,China,Hong Kong,Taiwan R.O.C.and Multiple voltage models)(RC-904:for Europe model)6P/AA Type (three batteres到xtemnal dimensions:70M×215×24(Dmm234×8-1532×15187Weight200g (Approx.7 az)(including batteres)For purposes of improvemeand design are subjectto change without notice2
请登录后查看评论内容