

第1页 / 共71页

第2页 / 共71页

第3页 / 共71页

第4页 / 共71页

第5页 / 共71页

第6页 / 共71页

第7页 / 共71页

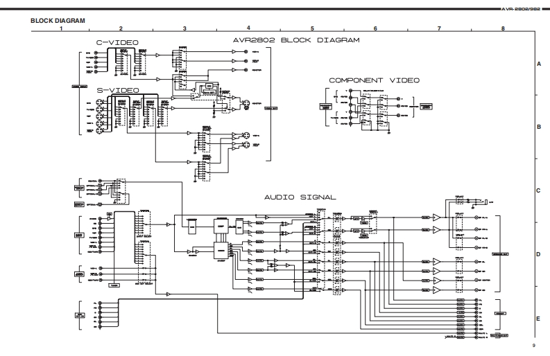
第8页 / 共71页

第9页 / 共71页

第10页 / 共71页
试读已结束,还剩61页,您可下载完整版后进行离线阅读
THE END
DENONFor U.S.A.,Canada,Europe,Asia,China,Hong KongTaiwan R.O.C.modelHi-Fi ComponentSERVICE MANUALMODEL AVR.28▣2/982AV SURROUND RECEIVERDENON回回回。。圆6省8省h中铜0已叾三台吕三台台台EOSome illustrations using in this service manual are slightly different from the actual set.NIPPON COLUMBIA CO,LTD.14-14.AKASAKA 4-CHOME,MINATO-KU.TOKYO 107-8011 JAPANTelephone:03(3584)8111X01191174N@0112
请登录后查看评论内容