

第1页 / 共86页

第2页 / 共86页

第3页 / 共86页

第4页 / 共86页

第5页 / 共86页

第6页 / 共86页

第7页 / 共86页

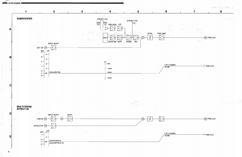
第8页 / 共86页

第9页 / 共86页

第10页 / 共86页
试读已结束,还剩76页,您可下载完整版后进行离线阅读
THE END
DENONHi-Fi ComponentSERVICE MANUALvMO口EL AVR.33OOAV SURROUND RECEIVER。名台名台名吉台台-TABLE OF CONTENTS-SAFETY PRECAUTIONS.2SCHEMATIC DIAGRAM....73-86SPECIFICATIONS.2(1/14)1U-3215-1 AUDIO/DSP UNIT73WIRE ARRANGEMENT.....,32/14)1U-3215-1 AUDIO/DSP UNIT74(3/14)1U-3215-1 AUDIO/DSP UNT5DISASSEMBLY4-64/14)1U-3215-1 AUDIO/DSP UNIT76LEVEL DIAGRAMS.7.8(5/14)1U-3199-1 EXT IN VR UNIT(6/14)1U-3200-2 CONNECT UNIT..78CLOCK FLOW WAVE FORM IN DIGITAL BLOCK.9,107141U-3201-1 REGULATOR UNITADJUSTMENT....m.11-131U-3201-2 AMP UNITSEMICONDUCTORS......14-371U-3201-3 HP P.SW UNIT91U-3201-4 FRONT UNIT7PRINTED WIRING BOARDS38-438/14)1U-3198-1 POWER UNIT..NOTE FOR PARTS LIST.......44a141U-3200-3 PRE OUT UNIT.⑨1U-3200-4 DIGITAL INPUT UNIT81PARTS LIST OF P.W.B UNIT....44-611U-3223-1/1U-3223-2 VOLTAGE SELECT UNIT...ADDENDUM PARTS LIST OF P.W.B.UNIT ASS'Y 62-671U-3223-3 AF.5V UNIT.EXPLODED VIEW......68(10/14)1U-3198-3 COMP.-VIDEO UNIT2-1U-3244-2 C.VIDEO UNIT.PARTS LIST OF EXPLODED VIEW ........6g(11/14)1U-3244-1S-VMDE0UNTADDENDUM PARTS LIST OF EXPLODED VIEW.........69(12/14).1U-3199-2 DISPLAY UNIT1U-3199-3 VOL.UNIT时BLOCK DIAGRAM...71(13/14)1U-3200-1 CONTROL UNIT85WIRING DIAGRAMS....72(14/141U-32015 TUNEA UNIT.Some illustrations using in this service manual are slightly different from the actual set.NIPPON COLUMBIA CO,LTD.
请登录后查看评论内容