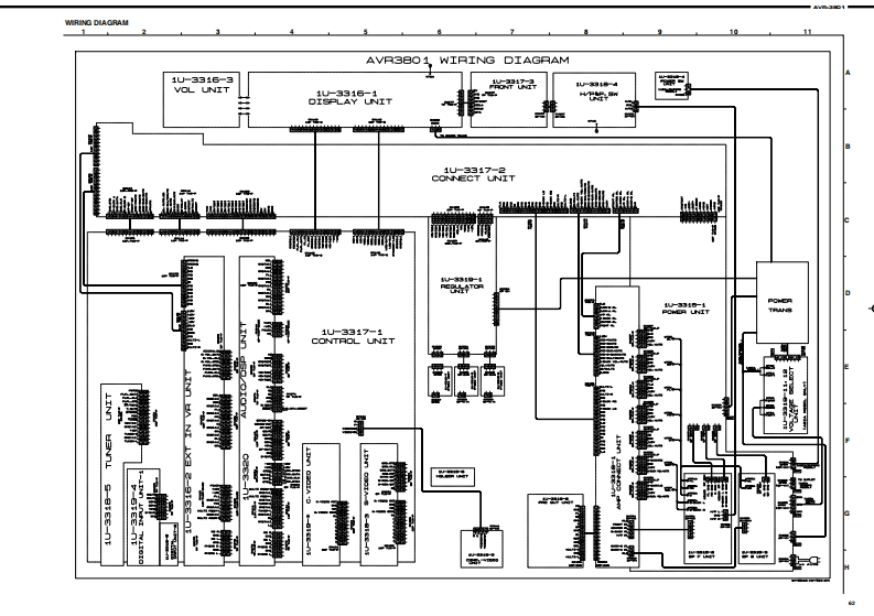
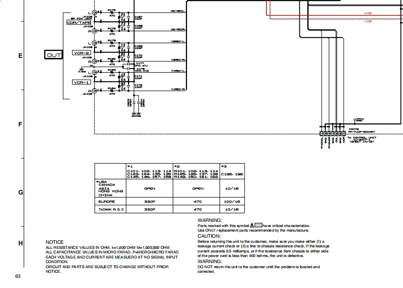
Denon-AVR3801-avr-电气原理图手册找手册网7天前发布关注私信14.48MB78页025Denon-AVR3801-avr-电气原理图手册此内容为付费资源,请付费后查看¥19¥21黄金会员免费钻石会员免费立即购买您当前未登录!建议登陆后购买,可保存购买订单付费资源 第1页 / 共78页 第2页 / 共78页 第3页 / 共78页 第4页 / 共78页 第5页 / 共78页 第6页 / 共78页 第7页 / 共78页 第8页 / 共78页 第9页 / 共78页 第10页 / 共78页 试读已结束,还剩68页,您可下载完整版后进行离线阅读 THE ENDDenon/Marantz 文本预览 DENONHi-Fi ComponentSERVICE MANUALODEL AVR.3B▣MAV SURROUND RECEIVER8888DENON:0018。6866凸凸凸吕当□当当告O吕Some illustrations using in this service manual are slightly different from the actual set.NIPPON COLUMBIA CO.LTD. 查看更多 收起部分 喜欢就支持一下吧收藏
请登录后查看评论内容