

第1页 / 共71页

第2页 / 共71页

第3页 / 共71页

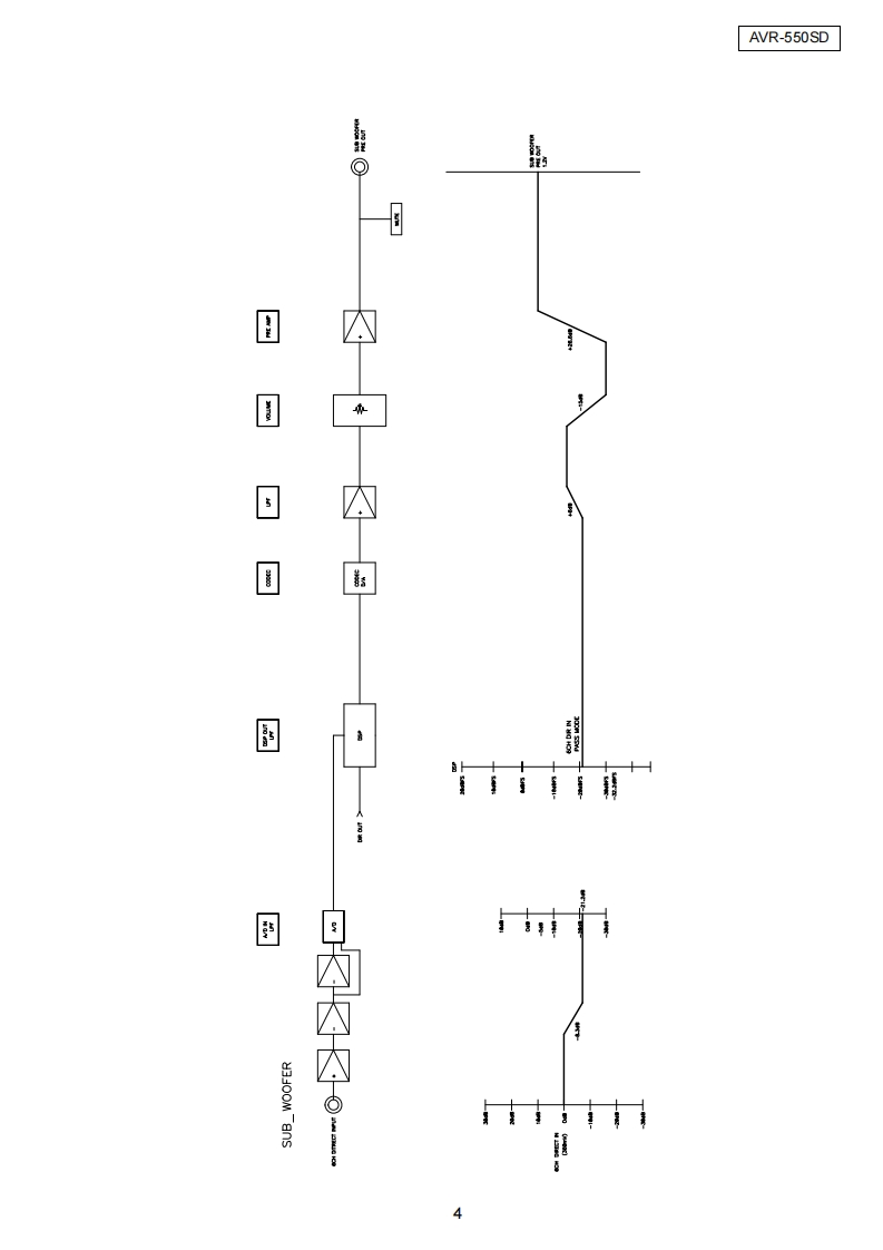
第4页 / 共71页

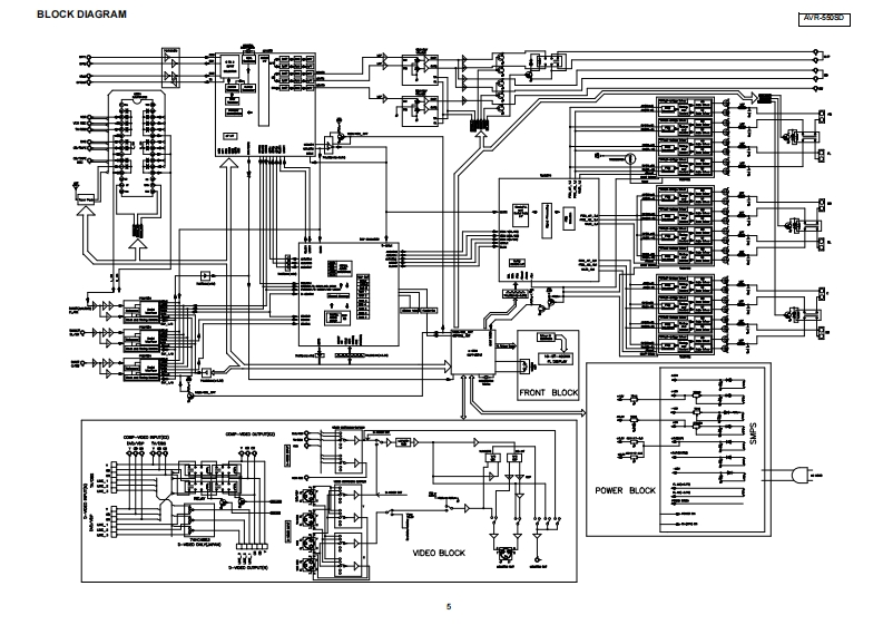
第5页 / 共71页

第6页 / 共71页

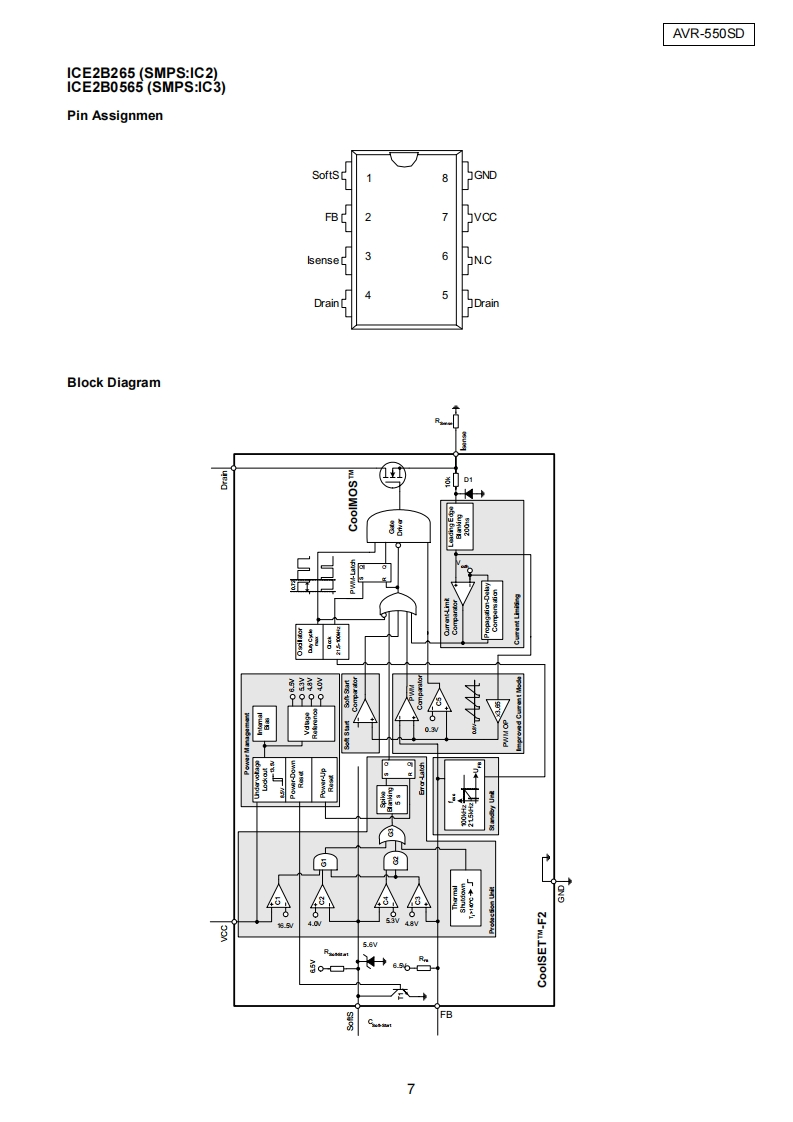
第7页 / 共71页

第8页 / 共71页

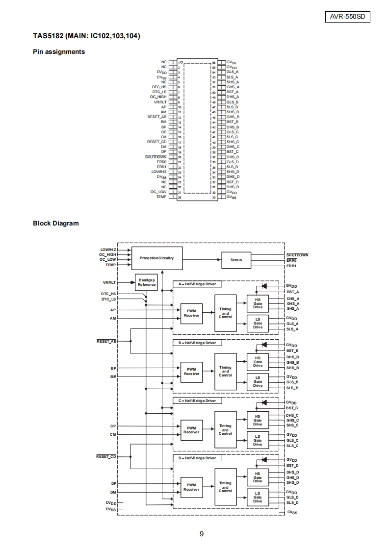
第9页 / 共71页

第10页 / 共71页
试读已结束,还剩61页,您可下载完整版后进行离线阅读
THE END
DENONFor Japan Europe modelVer.1SERVICE MANUALMODEL AVR-550SDAV SURROUND RECEIVER注意圹一七又在书乙存前、乙)廿一匕又又二ュ了儿在必寸书蔬4〈龙志。本機志、火災、感電、付岱存艺忙对寸石安全性在保寸石左协亿、志去芒未左配虚苍方乙存)(方以、未上法的估「電氨用品安全法」E屯上老、所定)許可在得(製造志九(訪)求寸。従一(寸一上又卷茄乙存際体、乙九5)安全性摊持志九石卡、乙)少一上久マ二1了記载志九(小石注意事項态必寸訪守)〈龙过。For purposes of improvement,specifications and●本機①仕横材性能改良①左协、予告存〈变更寸备乙匕design are subject to change without notice.州杨少来寸。●補修用性能部品)保有期間法、製造打切後8年飞寸。Please use this service manual with referring to the·修理)際:、必寸取极说明害左参照)上、作業左行一operating instructions without fail.((龙达。.Some illustrations using in this service manual are●本文中忙使用L(石亻与又卜休、脱明)都合上現物slightly different from the actual set.上多少異存局場合州扬)李寸。DENON,Ltd.TOKYO,JAPANS-1147V.01DE/CDM0407
请登录后查看评论内容