

第1页 / 共56页

第2页 / 共56页

第3页 / 共56页

第4页 / 共56页

第5页 / 共56页

第6页 / 共56页

第7页 / 共56页

第8页 / 共56页

第9页 / 共56页

第10页 / 共56页
试读已结束,还剩46页,您可下载完整版后进行离线阅读
THE END
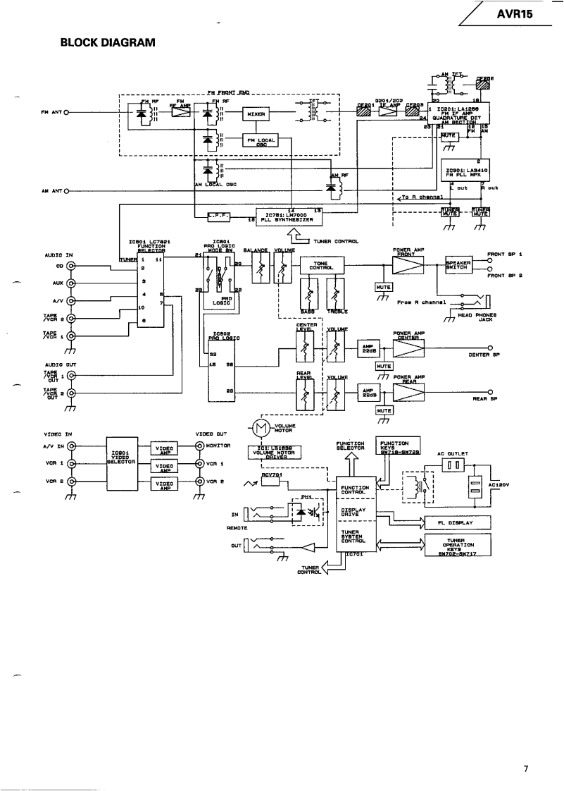
The Harman KardonModel AVR15Manual 195AAUDIO/VIDEO RECEIVERTechnical Manualharman/kardon AVRI5..The following marks found in the parts list of this manualidentify the models as follows.North America area model Black versionInternational model Black versionInternational modelCONTENTSSPECIFICATIONS…2GENERAL UNIT PARTS LIST ......10LEAKAGE TEST....2GENERAL UNIT EXPLODED VIEW............11CONTROLS AND FUNCTIONS....................3P.C.BOARDS........12DISASSEMBLY PROCEDURES.........5ELECTRICAL PARTS LIST............16CIRCUIT DESCRIPTION.............6IC BLOCK DIAGRAM......................24BLOCK DIAGRAM….7SCHEMATIC DIAGRAMS............27TIMING CHART.........8WIRING DIAGRAM.............................34ALIGNMENT PROCEDURES.8harman/kardonParts and Service Office80 Crossways Park West,Woodbury,N.Y.117971112-0610A152 G9405 1500 Printed in Japan
请登录后查看评论内容