HarmanKardon-AVR154-avr-电气原理图手册

HarmanKardon-AVR154-avr-电气原理图手册-找手册网
HarmanKardon-AVR154-avr-电气原理图手册
此内容为付费资源,请付费后查看
1921
付费资源

第1页 / 共10页

第2页 / 共10页

第3页 / 共10页

第4页 / 共10页

第5页 / 共10页

第6页 / 共10页

第7页 / 共10页

第8页 / 共10页

第9页 / 共10页

第10页 / 共10页
已完成全部阅读,共10
THE END
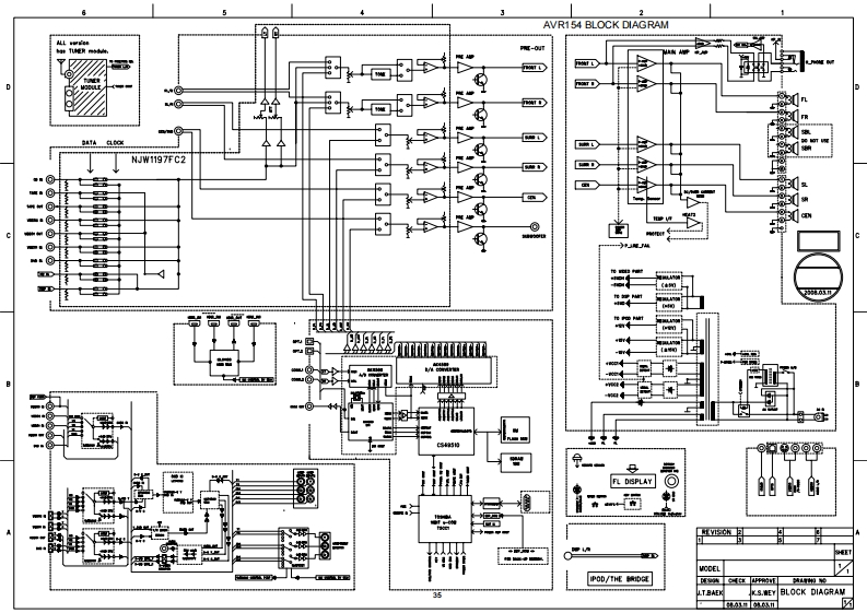
AVR154 BLOCK DIAGRAMALL wwion厘-0电回☑0DNJW1197FC2E“品醇母FL DISPLAYtVODEL1p0b/开HEp链LTBAEKK.S.WEYBLOCK DIAGRAM☑
喜欢就支持一下吧
评论 抢沙发

请登录后发表评论

    请登录后查看评论内容