HarmanKardon-AVR156_230-avr-维修说明书手册含电器原理图

HarmanKardon-AVR156_230-avr-维修说明书手册含电器原理图-找手册网
HarmanKardon-AVR156_230-avr-维修说明书手册含电器原理图
此内容为付费资源,请付费后查看
1921
付费资源

第1页 / 共139页

第2页 / 共139页

第3页 / 共139页

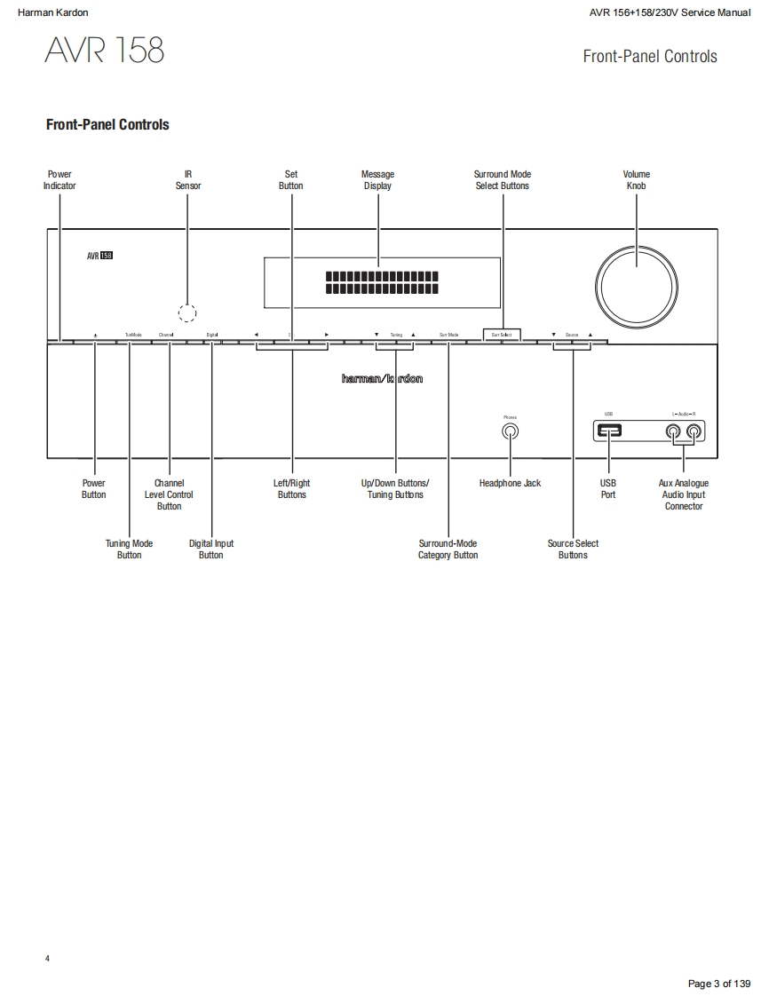
第4页 / 共139页

第5页 / 共139页

第6页 / 共139页

第7页 / 共139页

第8页 / 共139页

第9页 / 共139页

第10页 / 共139页
试读已结束,还剩129页,您可下载完整版后进行离线阅读
THE END
Harman KardonAVR 156+158/230V Service ManualHarman KardonService ManualAVR156/230+AVR158/2305.1 CHANNEL AN RECEIVERSW圆DUDLOGIC 7 MOVIEharman/kardonCONTENTSESD WARNINGEXPLODED VIEW AND PARTS,AVR 156 15FRONT AND REAR PANELSEXPLODED VIEW AND PARTS,AVR 158 16REMOTE CONTROL237ELECTRICAL PARTS LIST,AVR 15617RESET REMOTE AND PROCESSORELECTRICAL PARTS LIST,AVR 15845TROUBLESHOOTING GUIDE10SEMICONDUCTOR PINOUTS73BASIC SPECIFICATIONS11PCB DRAWINGS115PACKAGE LISTS AND PARTS,AVR 15612BLOCK DIAGRAMS125PACKAGE LISTS AND PARTS,AVR 15813WIRING DIAGRAM127DISASSEMBLY14AMP BIAS ADJUSTMENT128SCHEMATIC DIAGRAMS129-139Released EU2011Harman Consumer Group,Inc.Rev0,10/20118500 Balboa BoulevardNorthridge,California 91329Page 1 of 139
喜欢就支持一下吧
评论 抢沙发

请登录后发表评论

    请登录后查看评论内容