

第1页 / 共41页

第2页 / 共41页

第3页 / 共41页

第4页 / 共41页

第5页 / 共41页

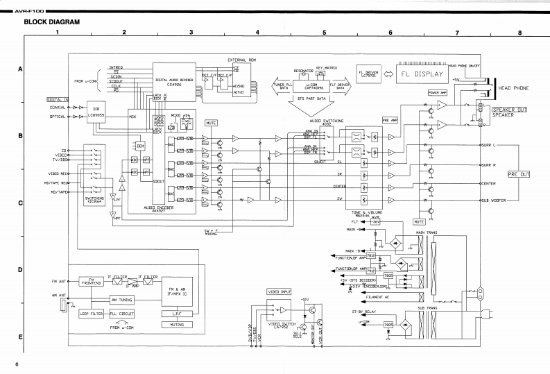
第6页 / 共41页

第7页 / 共41页

第8页 / 共41页

第9页 / 共41页

第10页 / 共41页
试读已结束,还剩31页,您可下载完整版后进行离线阅读
THE END
DENONFor Europe U.K.modelHi-Fi ComponentSERVICE MANUALMODEL AVR-F100AV SURROUND RECEIVERDENONS60KDTSDUD88886868g88的马m学-TABLE OF CONTENTS一SAFETY PRECAUTIONS....2EXPLODED VIEW...............................28SPECIFICATIONS.......2PARTS LIST OF EXPLODED VIEW...........29DISASSEMBLY...3.4PACKING VIEW…30ADJUSTMENT........5PARTS LIST OF PACKING ACCESSORIES 30BLOCK DIAGRAM…6WIRING DIAGRAM.....................31LEVEL DIAGRAM.…7SCHEMATIC DIAGRAMS33-36SEMICONDUCTORS...................8-13(1/4)MAIN UNIT.33PRINTED WIRING BOARDS14-19(2/4)DSP UNIT..34NOTE FOR PARTS LIST....20(3/4)CPU UNIT5PARTS LIST OF P.W.B.UNIT ASS'Y.........20-27(4/4)FRONT UNIT...36Some illustrations using this service manual are slightly different from the actual set.NIPPON COLUMBIA CO,LTD.X0097
请登录后查看评论内容