HarmanKardon-AVR230-avr-电气原理图手册

HarmanKardon-AVR230-avr-电气原理图手册-找手册网
HarmanKardon-AVR230-avr-电气原理图手册
此内容为付费资源,请付费后查看
1921
付费资源

第1页 / 共7页

第2页 / 共7页

第3页 / 共7页

第4页 / 共7页

第5页 / 共7页

第6页 / 共7页

第7页 / 共7页
已完成全部阅读,共7
THE END
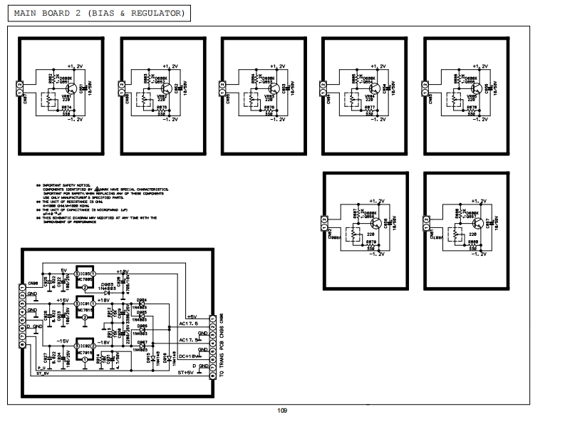
轻用品异甲到照制的MPORTRNT SAETY NDCESNPONENTS EOITFD BYTK HVE SPEDAL CHAAASTERSIGS离TG味STTL,COE4际T第E0C作凰理YGT照CDKPHHHHIEEEETHE UMT OF D公T红8L-L3W。1 E CAFACHENCE车ORoFARAB P-CO FAR由:妆通铺Ba好W等
喜欢就支持一下吧
评论 抢沙发

请登录后发表评论

    请登录后查看评论内容