

第1页 / 共65页

第2页 / 共65页

第3页 / 共65页

第4页 / 共65页

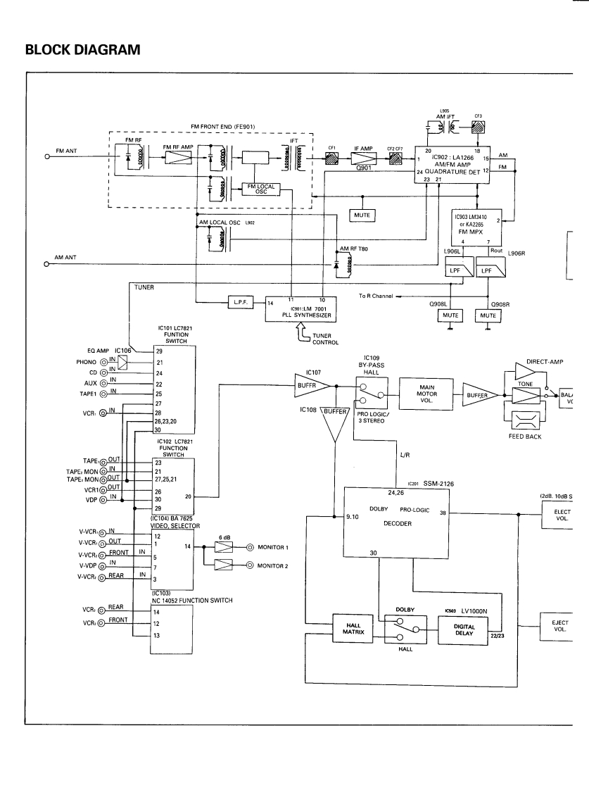
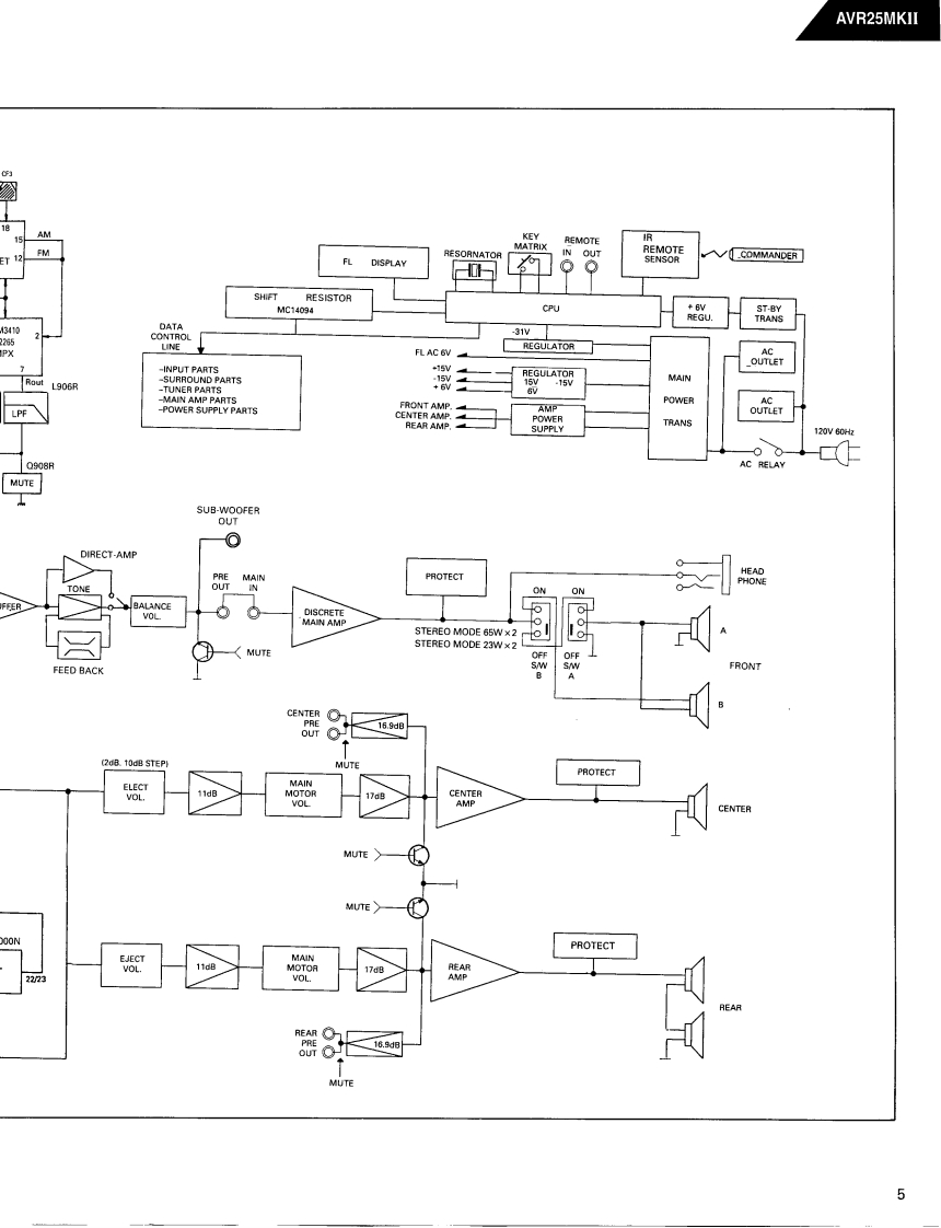
第5页 / 共65页

第6页 / 共65页

第7页 / 共65页

第8页 / 共65页

第9页 / 共65页

第10页 / 共65页
试读已结束,还剩55页,您可下载完整版后进行离线阅读
THE END
The Harman KardonModel AVR25MKIIAUDIO AND VIDEO RECEIVERTechnical Manualh.aman/kardon A饿5lVume①①①三且:8888888Eoconb00OCONTENTSSPECIFICATIONS…2GENERAL UNIT…23LEAKAGE TEST…4PRINTED CIRCUIT BOARDS…24BLOCK DIAGRAM…5ELECTRICAL PARTS LIST.............................26CONTROLS AND FUNCTIONS+6IC FUNCTIONAL BLOCK DIAGRAM4444…31DISASSEMBLY PROCEDURES........8WIRING DIAGRAM…37CIRCUIT DESCRIPTION................................10SCHEMATIC DIAGRAM (I)38ALIGNMENT PROCEDURES...........16SCHEMATIC DIAGRAM(I)⑩…39TROUBLESHOOTING…19SCHEMATIC DIAGRAM (III)..................40GENERAL UNIT PARTS LIST............22SCHEMATIC DIAGRAM (IV)..................41harman/kardonParts and Service Office80 Crossways Park West.Woodbury,N.Y.117971112-AVR25MKII G9604 1200 Printed in Korea
请登录后查看评论内容