

第1页 / 共26页

第2页 / 共26页

第3页 / 共26页

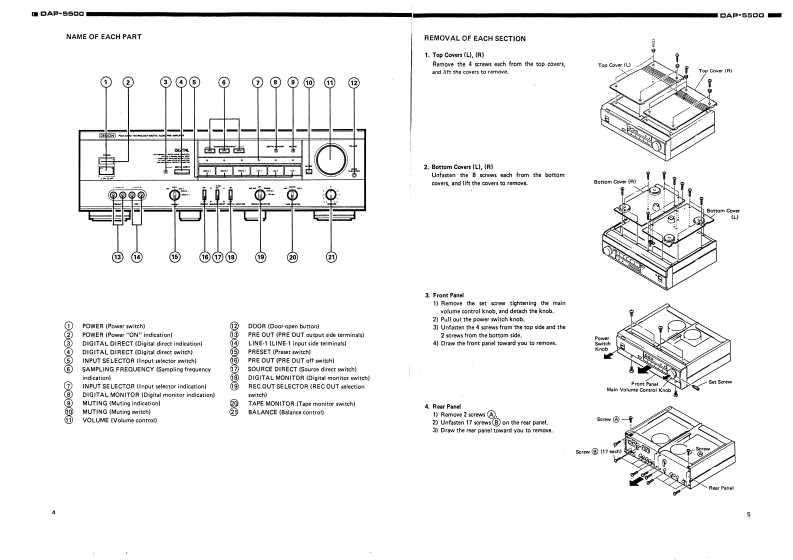
第4页 / 共26页

第5页 / 共26页

第6页 / 共26页

第7页 / 共26页

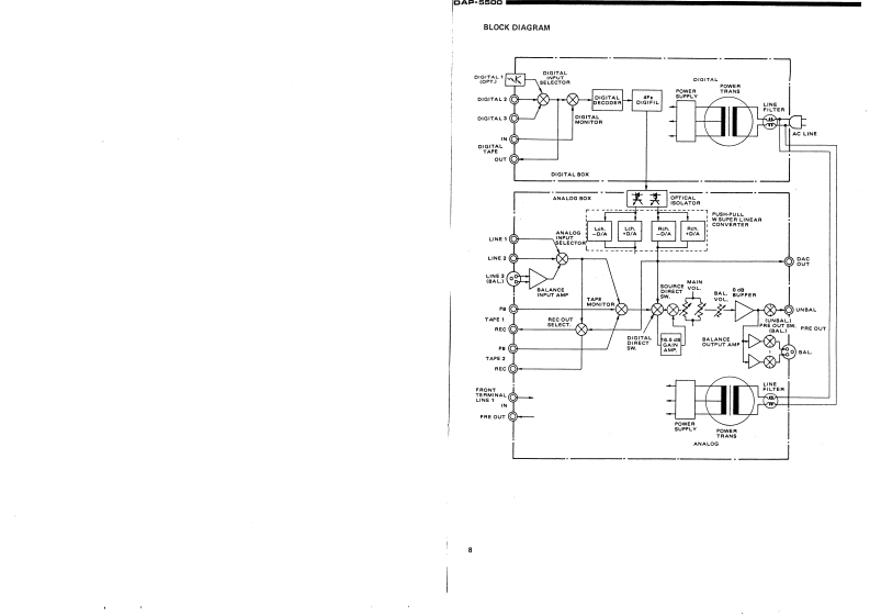
第8页 / 共26页

第9页 / 共26页

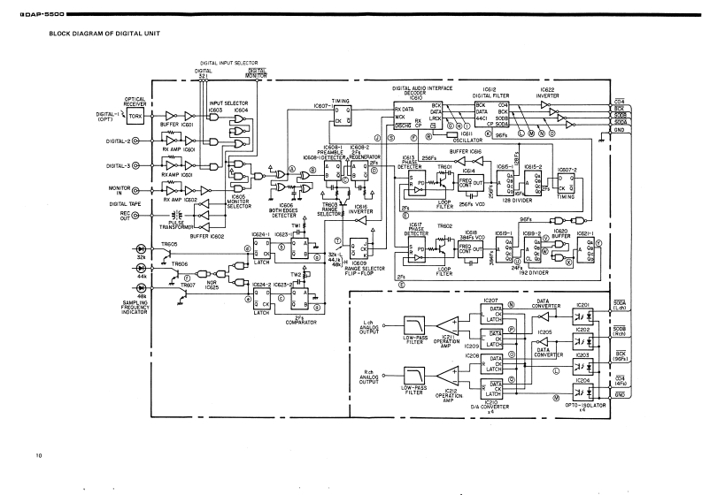
第10页 / 共26页
试读已结束,还剩16页,您可下载完整版后进行离线阅读
THE END
DENONHi-Fi Digital Audio PreamplifierSERVICE MANUALMODEL DAP-5500DIGITAL AUDIO PREAMPLIFIERTABLE OF CONTENTSPRECAUTIONSSPECIFICATIONS3NAME OF EACH PARTREMOVAL OF EACH SECTIONCONNECTIONS..6,7BLOCK DIAGRAMADJUSTMENT9BLOCK DIAGRAM OF DIGITAL UNIT.........TIMING CHART...11SAMPLING FREQUENCY INDICATION ADJUSTMENT....12SEMICONDUCTORS....13,14PRINTED WIRING BOARD PARTS LIST.15~20KU-9102E DIGITAL SIG UNITKU-9103E DIGITAL P.S.UNITKU-9104E D.A INPUT UNITKU-9105E ANALOG P.S.UNITKU-9116E SERVO UNITPRINTED WIRING BOARD PATTERNS........2123KU-9105 ANALOG P.S.UNITKU-9102 DIGITAL SIG UNITKU-9104 D.A.INPUT UNITKU-9116 SERVO UNITKU-9103 DIGITAL P.S.UNITEXPLODED VIEW OF CHASSIS AND CABINET2PARTS LIST OF EXPLODED VIEW...WIRING DIAGRAM.....252SCHEMATIC DIAGRAM (ANALOG UNIT)SCHEMATIC DIAGRAM (DIGITAL UNIT)28NIPPON COLUMBIA CO..LTD.
请登录后查看评论内容