HarmanKardon-AVR3000RDS-avr-维修说明书手册含电器原理图

HarmanKardon-AVR3000RDS-avr-维修说明书手册含电器原理图-找手册网
HarmanKardon-AVR3000RDS-avr-维修说明书手册含电器原理图
此内容为付费资源,请付费后查看
1921
付费资源

第1页 / 共75页

第2页 / 共75页

第3页 / 共75页

第4页 / 共75页

第5页 / 共75页

第6页 / 共75页

第7页 / 共75页

第8页 / 共75页

第9页 / 共75页

第10页 / 共75页
试读已结束,还剩65页,您可下载完整版后进行离线阅读
THE END
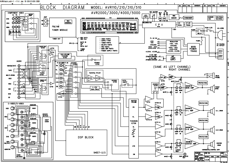
AVR3000RDSAudio/Video ReceiverDD,DTS,HDCD,MP3PRELIMINARYSERVICE-TECHNICAL MANUAL雷兽目2-恩目目实南南新家点点Jo:oooHarman International SNC-Harman Consumer International 2,route de Tours 72500 Chateau du Loir
喜欢就支持一下吧
评论 抢沙发

请登录后发表评论

    请登录后查看评论内容