

第1页 / 共50页

第2页 / 共50页

第3页 / 共50页

第4页 / 共50页

第5页 / 共50页

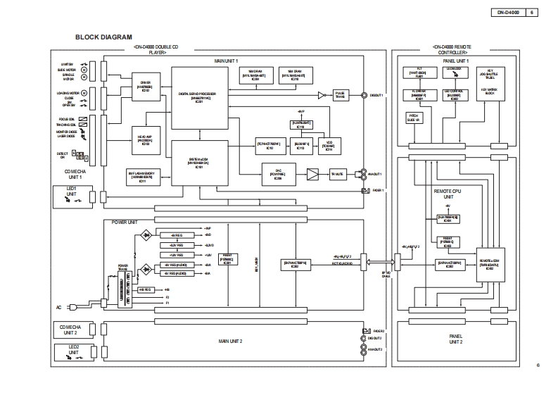
第6页 / 共50页

第7页 / 共50页

第8页 / 共50页

第9页 / 共50页

第10页 / 共50页
试读已结束,还剩40页,您可下载完整版后进行离线阅读
THE END
DENONFor U.S.A.,Canada,EuropeKorea modelVer.1SERVICE MANUALMODEL DN-D4000DOUBLE CD PLAYER注意圹一七又在苏乙春前忙、乙)片一上又又二1了儿左必寸书蔬〈龙志。本機:、火災、感電、付扩存亿对寸石安全性苍確保寸石左亿、志去芒去左配虚卷书乙存一(方、未左法的体「電氨用品安全法」屯上老、所定)許可苍得(製造志九(訪)去寸。徙一(圹一上又卷右乙存今際:、乙九5)安全性扩摊持志九石、乙片一七又マ二ュ了記栽志九(石注意事項在必式守)〈龙过。●本機)仕樣:性能改良)左饮、予告存〈变更寸石乙上州杨少未寸。·補修用性能部品)保有期間体、製造打切後8年下寸。Please use this service manual with referring to the●修理)際太、必寸取极脱明書苍参照)上、作業卷operating instructions without fail.行口C(龙U。Some illustrations using in this service manual are●本文中使用L(石人与又卜:、脱明)都合上slightly different from the actual set.現物上多少異存石場合分方)ま寸。DENON,Ltd.16-11,YUSHIMA 3-CHOME,BUNKYOU-KU,TOKYO 113-0034 JAPANTelephone:03(3837)5321X0171V.01 DECDM0303
请登录后查看评论内容