

第1页 / 共44页

第2页 / 共44页

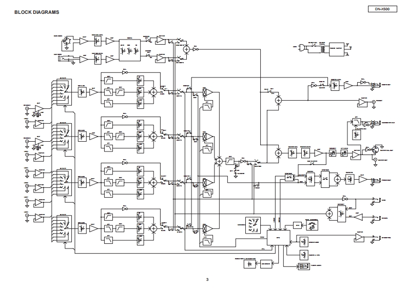
第3页 / 共44页

第4页 / 共44页

第5页 / 共44页

第6页 / 共44页

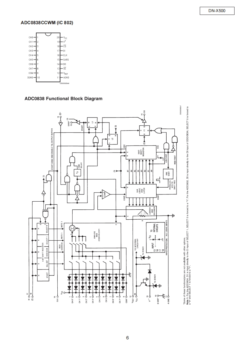
第7页 / 共44页

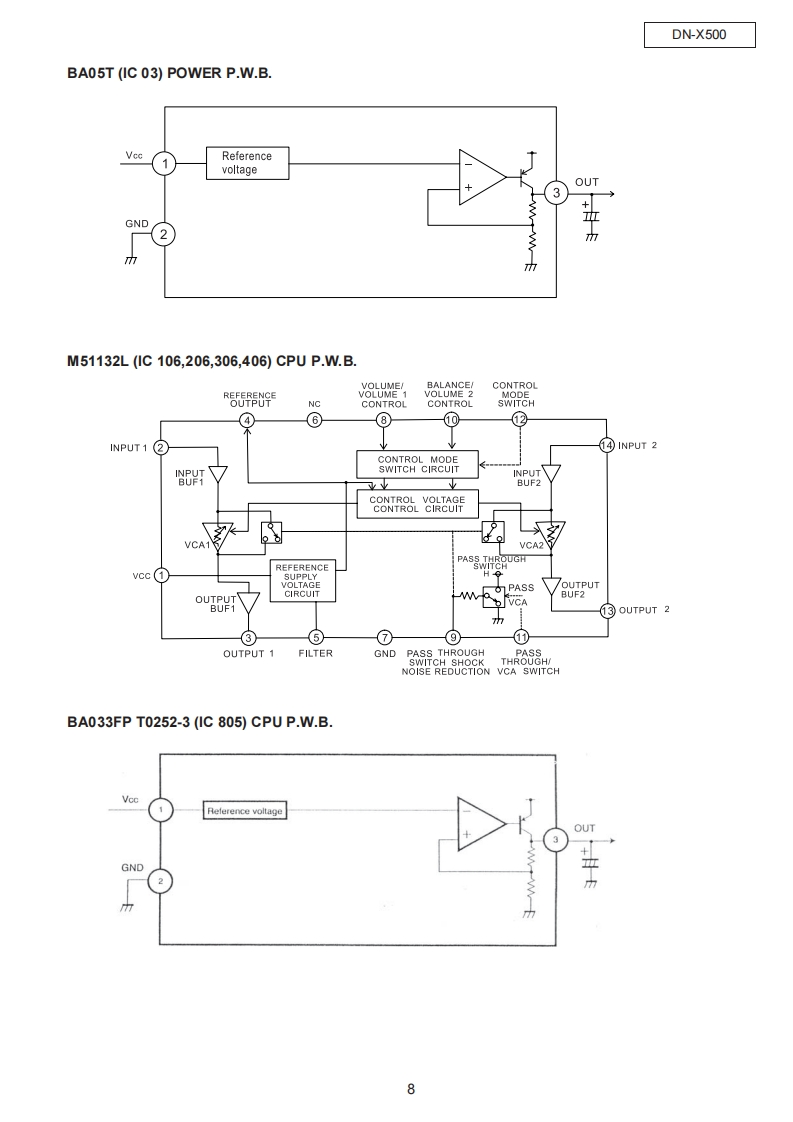
第8页 / 共44页

第9页 / 共44页

第10页 / 共44页
试读已结束,还剩34页,您可下载完整版后进行离线阅读
THE END
DENONFor U.S.A.,CanadaEurope modelSERVICE MANUALVer.1MODEL DN-X500DJ MIXER注意圹一上又在方乙存前、乙)圹一上又又二ュ了儿苍必寸方蔬水〈龙这U。本機休、火災、感電、付分存亿对寸石安全性苍確保寸石左忙、志去芒未存配康苍訪乙存一(拈、未左法的忙体「電氨用品安全法忙屯上可老、所定)許可卷得(製造志九()未寸。徒)乙片一匕又在方乙存際:、乙九5)安全性雜持老九石太、乙)少一上又マ二1了記载志九乙小注意事項左必式书守〈龙过。For purposes of improvement,specifications and●本機)仕横性能改良)龙协、予告在〈变更寸石乙上design are subject to change without notice.苏方)获寸。補修用性能部品の保有期間仗、製造打切後8年C寸。Please use this service manual with referring to●修理)際:、必寸取极脱明害参照)上、作業卷行)the operating instructions without fail.〈龙t。Some illustrations using in this service manual are●本文中忙使用L乙石亻ラ又卜:、脱明)都合上現物slightly different from the actual set.上多少異在石場合扬)寸。D&M Holdings Inc.Professional business companyJAPANX-0248V.01 DECDM④0508
请登录后查看评论内容